EasyManua.ls Logo

HBS IT 1002 - Page 73

HBS IT 1002
94 pages
Print Icon
To Next Page IconTo Next Page
To Next Page IconTo Next Page
To Previous Page IconTo Previous Page
To Previous Page IconTo Previous Page
Loading...
IT 1002 Order No BA 93-66-1206 Issue 03.11.08 73
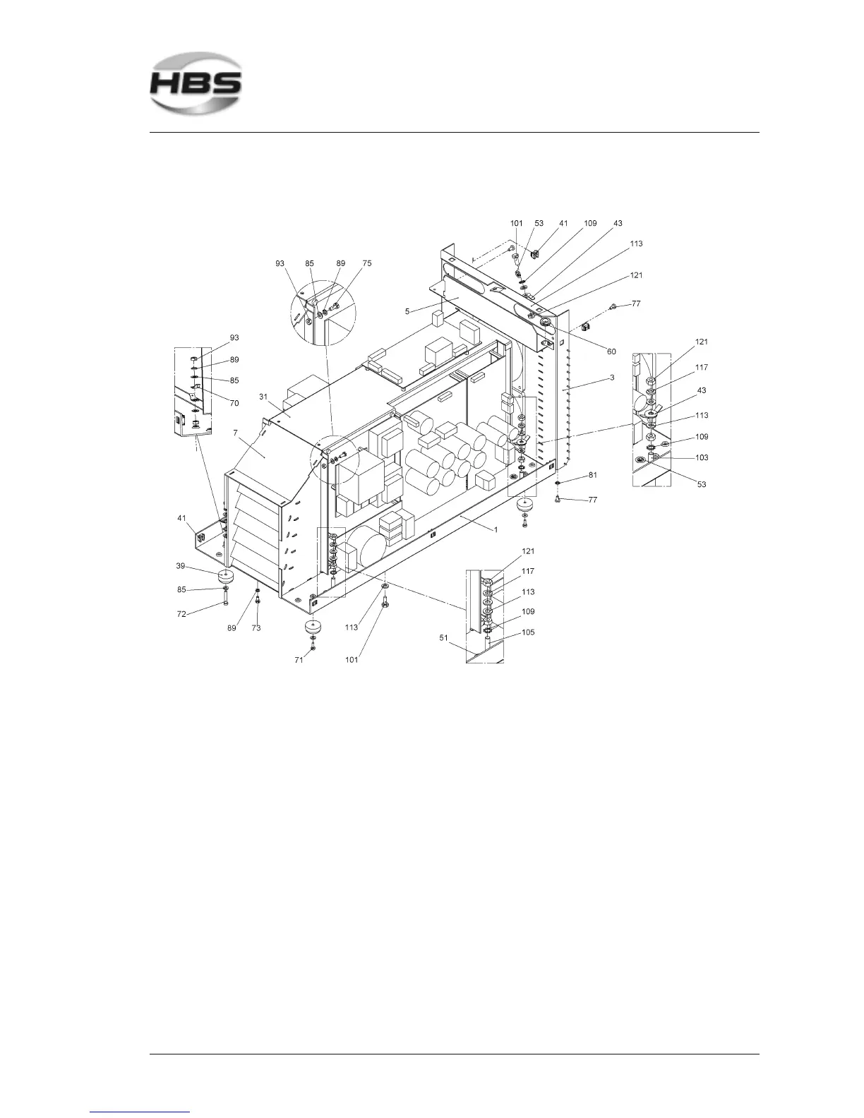
Power element complete IT 1002 (88-17-929)
8 Appendix
8.2 Spare Parts

Table of Contents

Related product manuals