EasyManua.ls Logo

Husqvarna 2009 TE 310 - Page 143

Husqvarna 2009 TE 310
412 pages
Print Icon
To Next Page IconTo Next Page
To Next Page IconTo Next Page
To Previous Page IconTo Previous Page
To Previous Page IconTo Previous Page
Loading...
G.23Part. N. 8000 H0368 (09-2008)
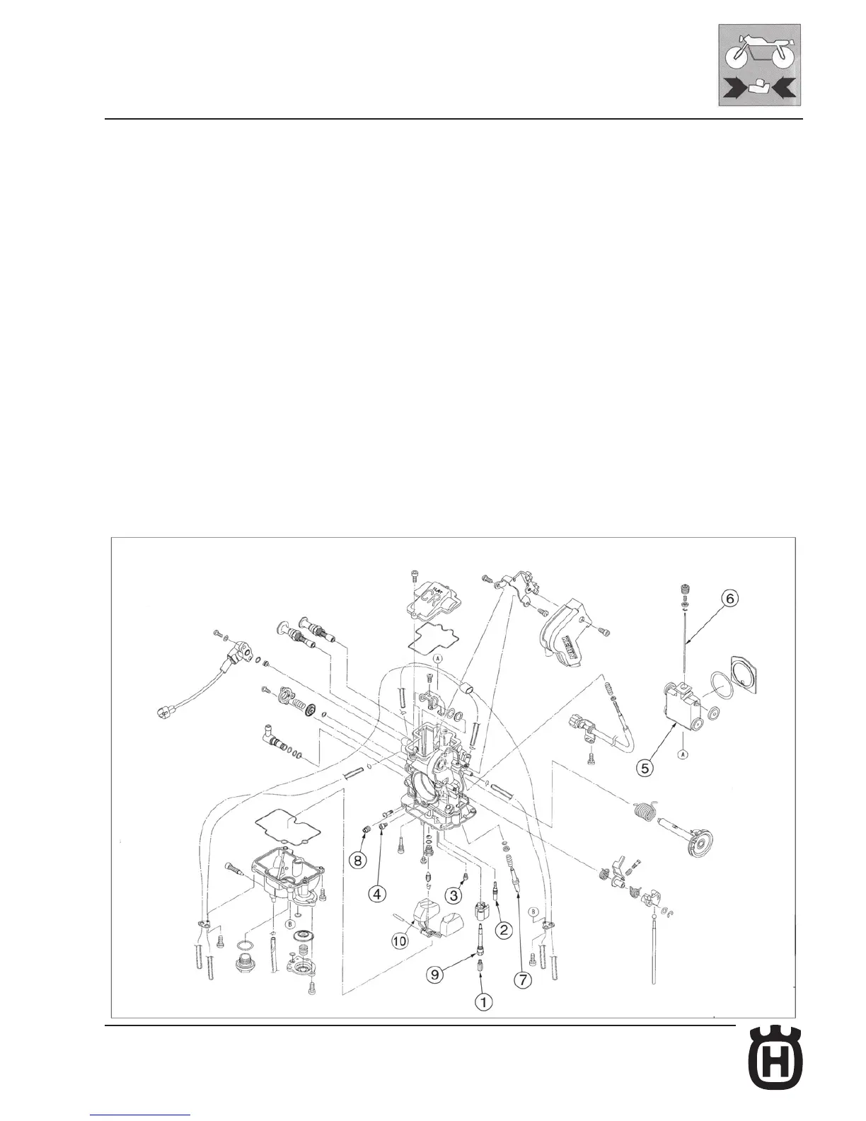
ENGINE OVERHAULING
Carburettor checking
1. Inspect:
- Carburetor body
Contamination: Clean
NOTE:
- Use a petroleum based solvent for cleaning. Blow out all passages
and jets with compressed air.
- Never use a wire.
2. Inspect:
- Main jet (1)
- Pilot jet (2)
- Needle jet (9)
- Pilot screw (7)
- Starter jet (3)
- Main air jet (4)
- Pilot air jet (8)
Damage: Replace
Contamination: Clean
NOTE:
- Use a petroleum based solvent for cleaning. Blow out all passages
and jets with compressed air.
- Never use a wire.

Table of Contents

Related product manuals