EasyManua.ls Logo

Husqvarna 2009 TE 310 - Instructions for Assembly and Lubrication

Husqvarna 2009 TE 310
412 pages
Print Icon
To Next Page IconTo Next Page
To Next Page IconTo Next Page
To Previous Page IconTo Previous Page
To Previous Page IconTo Previous Page
Loading...
H.4 Part. N. 8000 H0368 (09-2008)
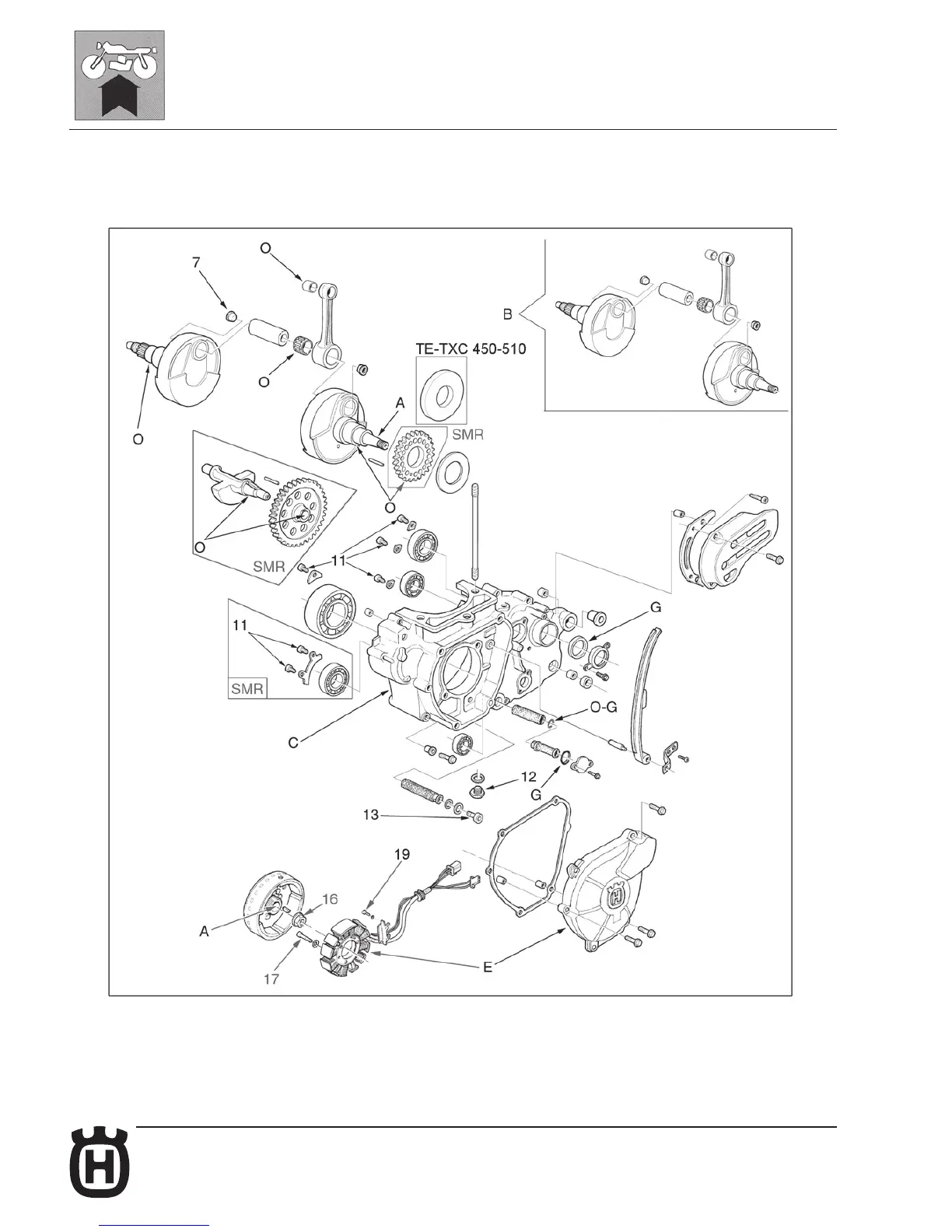
ENGINE REASSEMBLY
CRANKSHAFT, COUNTER BALANCING SHAFT- ALTERNATOR- LUBRICATION- L.H. CRANKCASE
Instructions for assembly and lubrication

Table of Contents

Related product manuals