EasyManua.ls Logo

Husqvarna 2009 TE 310 - Page 291

Husqvarna 2009 TE 310
412 pages
Print Icon
To Next Page IconTo Next Page
To Next Page IconTo Next Page
To Previous Page IconTo Previous Page
To Previous Page IconTo Previous Page
Loading...
M.21Part. N. 8000 H0368 (09-2008)
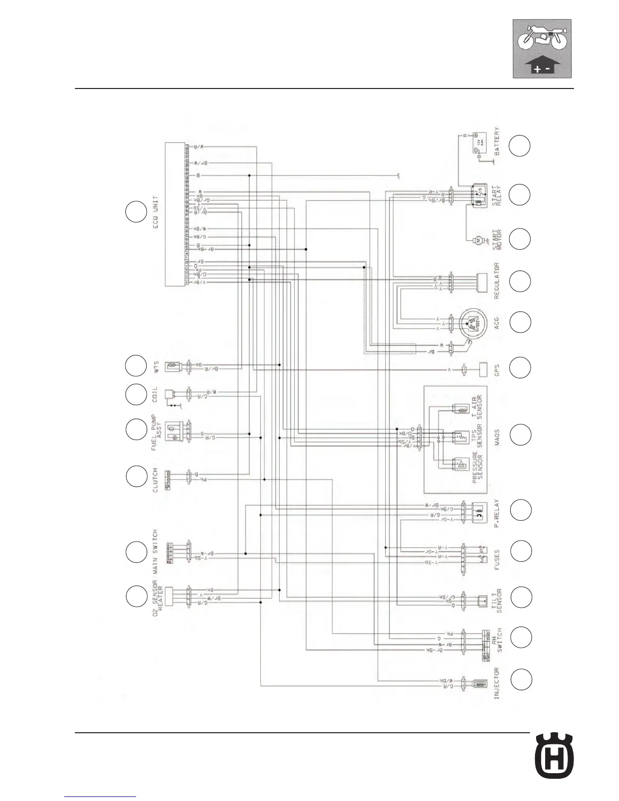
ELECTRIC SYSTEM, DIGITAL INSTRUMENT
31
26
27
35
23
33
1
25
36
37
38
40
6
SMR
22
17
2
3
18
16
ELECTRONIC IGNITION SYSTEM (TE-SMR)

Table of Contents

Related product manuals