EasyManua.ls Logo

Icom IC-440 - SELCALL OPERATION; SelCall Basics and TX Codes

Icom IC-440
64 pages
Print Icon
To Next Page IconTo Next Page
To Next Page IconTo Next Page
To Previous Page IconTo Previous Page
To Previous Page IconTo Previous Page
Loading...
25
5
SCAN OPERATION
5
Repeater search scan
The repeater search scan not only searches for a signal on
the repeater channels, but also access a repeater by trans-
mitting automatically in sequence.
Thus the repeater search scan function searches for available
repeater in the area even if the repeater is not currently in use.
The repeater search scan detects a signal on the re-
peater output channels (CB-R1 to CB-R8)* only. There-
fore, repeater availability cannot be guaranteed even the
repeater scan is stopped, because the scan will stop if
any activity is detected. (The scan is cancelled when re-
ceiving a signal, such as stations communicating in sim-
plex operation on a repeater output channel.)
*Excludes Emergency Repeater ‘CB-R5.
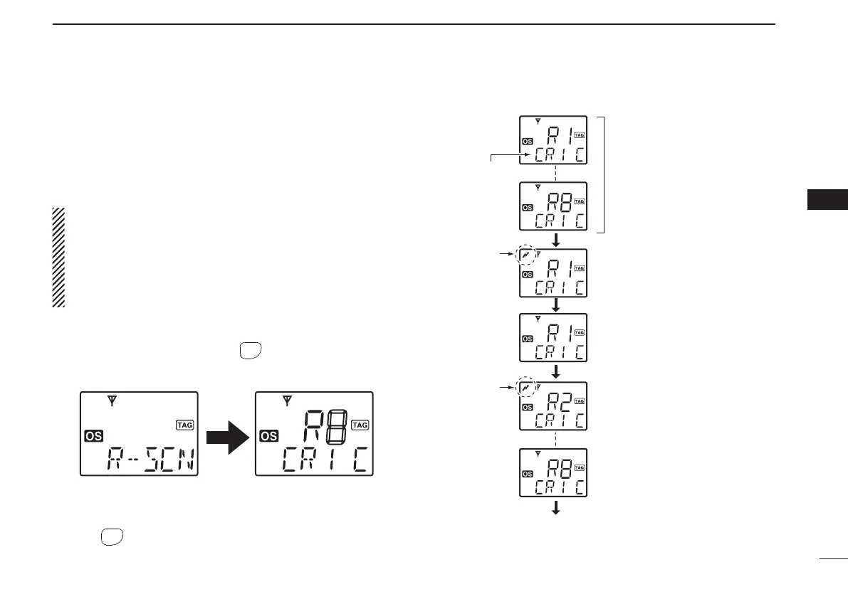
q Select the desired repeater output channel (‘CB-R1’ to
‘CB-R8’), and push and hold
OGP
RS
(Rpt Scan) for 2 sec. to
start the repeater search scan.
See the fl ow as described at right for repeater search scan details.
w
When receiving a signal on the repeater channel, scan stops.
During second cycle scanning, 3 high beeps sound when receiving
a signal, and 3 low beeps sound when no signal is received.
e Push
OGP
RS
(Scan Mode) to cancel the scan manually.
• During transmitting, the repeater scan cannot be cancelled.
D Repeater search scan flow
Appears
Appears
Scan
Scan
Searches for sig-
nal on the repeater
output channels.
Access to the repeater
automatically. (0.5 sec.)
Wait for a signal from
the repeater. (0.5 sec.)
Access the next repeater
automatically.
(When no reply signal is received.)
Scan is cancelled automatically.
Scan start
channel
NOTE: Excludes Emergency Repeater ‘CB-R5.
IC-440-1.indd25IC-440-1.indd25 2008/06/2515:59:372008/06/2515:59:37

Table of Contents

Related product manuals