EasyManua.ls Logo

Intel 8080 - B5_Page_02

Intel 8080
224 pages
Print Icon
To Next Page IconTo Next Page
To Next Page IconTo Next Page
To Previous Page IconTo Previous Page
To Previous Page IconTo Previous Page
Loading...
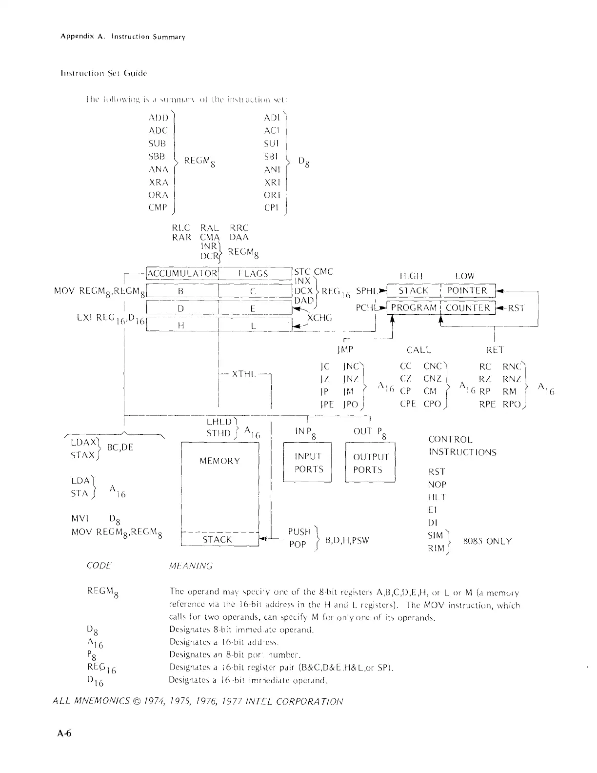
Appendix
A.
Instruction
Summary
Instructioll
Set
Guide
/\\)1)
.!\DC
SUB
SBB
AN/\
XRA
OR/,
eMf'
RlC;M
S
RLC
RAL
RRC
RAR
CMA
DAA
INR}
DCR RECM
g
ADI
ACI
SUI
5131
Dg
AN I
XRI
CRI
I
(PI
)
1+,cc~ULAl6R[--FLACs=:Jf~~
CMC HIC;II
__
~_()_W_~
MOV
RECMg,RlGM
g
. L
__
.-_B-
__
u+
____
._
C
=:Jg~S}
REG
I G
SPH1,_~CK
:
POINl
ER
1-:]
I
C---~---.L---~--~XCL1(-
PCl
J
1L--1
PROC;RA~UNTLR
f.--RSI
LXI
REG\(i,D
IGi
-
.-
H
r-----
C-
-~/
I J
__
t
,_._
L..___
--
,--
J T
I
J~1P
CALL
RtT
I
JC
JNCl
CC
CNC
RC
RNCl
r
XTHL-l
)1
JNI
CI
CNl
A
R!
RNI
~
______
U~ll)1
-
__
;
__
1_
:~E
:~~JI
,\
1(,
~~E
~~~
1
(,
~;F
~~oJ
r----~,
STHD J
AIG
IN P
s
OUT P
s
CONTROL
LDAX'l
BC
DE
~~
ST
Axf
' INPUT OUTPUT
INSTRUCTIONS
MEMORY
PORTS I PORTS
RST
LDA}
I NOP
S T A
;\
I G , i I H U
~--------LL
rUSH
\
~:IM}
MVI
DS
MOV
REGMS,RLGM
S
CODt
Dg
A16
P
s
REG
IG
DIG
STACK
POP
.f
B,D,H,P5W
RIM
SOSS
ON L Y
MEANING
The operdnd
nld'~
,pcci'y
olle
of
the g-bit
rcgi<,lcr~
A,B,C,D,E,H, or
Lor
M
(a
n1l'm"IY
refcrcilce
via
the I G-bit
dddrc~,>
in the
Hand
L regi,tcr,). The
MOV
in<;lruction, which
cdl\<,
fur two operdllLb,
can
,>pccify M
lUI'
only onc
of
it<,
upcr,!nd,>.
De,>igndte'>
Sbit
immed ate operand.
De,>igndtc'>
a IS-bit add·c,>,.
Dc~igndte"
Jtl S-bit
pm
numbcl-.
Designdtcs d ;G-bit regi,ter Pdir
(B&C,D&E,H&L,or
SP).
De,>ignJtC'"
d
16
-bit
imrledidte
operdnd.
ALL
MNEMONICS © 7974, 7975, 7976,
7977
INTEL
CORPORA
TlON
A-6

Table of Contents

Related product manuals