EasyManua.ls Logo

Intel 8080 - B1_Page_33

Intel 8080
224 pages
Print Icon
To Next Page IconTo Next Page
To Next Page IconTo Next Page
To Previous Page IconTo Previous Page
To Previous Page IconTo Previous Page
Loading...
Chapter 1. Assembly language and Processors
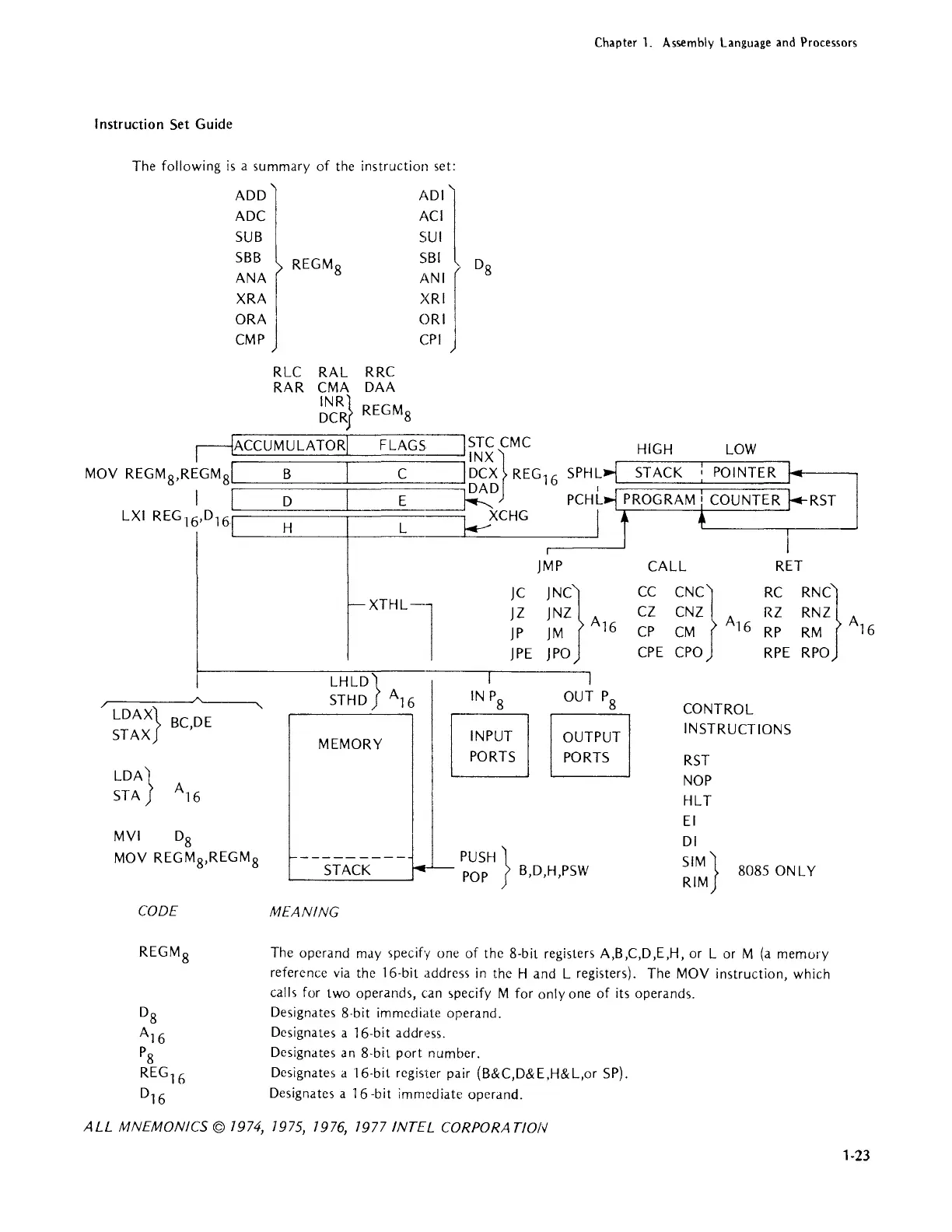
Instruction Set Guide
The following
is
a summary of the instruction set:
ADD
ADC
ACI
SUB
SUI
ADll
SBB
REGM
g
~~l
f
D8
ANA
XRA
)(RI
ORA ORI
CMP
CPI
RLC
RAL RRC
RAR
CMA
DAA
INR}
DCR
REGM
g
~ACCUMULATORI
FLAGS
MOY
REGMg,REGMgl B I C
I I D I
LXI
REG
16
,D
16
E
H L
]STC
CMC
INX}
JDCX
REG
16
SPHL
DAD
I
~
PCHL
k
XCHG
I
JMP
HIGH
LOW
STACK
RST
CALL
RET
JC
JZ
JP
JPE
JNZ
A
JNC}
JM
16
CZ
CNZ
A
CC
CNC}
CP
CM
16
RZ
RNZ
A
RC
RNC}
RP
RM
16
/
A
,
LDAX}
BC,DE
STAX
LDA}
STA
A
16
MYI
Dg
MOY
REGMg,REGM
g
CODE
REGM
g
LHLD}
STHD
A
16
MEMORY
[
INPUT
PORTS
JPO
I
OUT
P
g
OUTPUT
PORTS
f---STACK---
...
__
~~~H}
B,D,H,PSW
MEANING
CPE
CPO
RPE
RPO
CONTROL
INSTRUCTIONS
RST
NOP
HLT
EI
DI
SIM}
gOg5
ONLY
RIM
The opcrand
may
specify one of thc g-bit registers A,B,C,D,E,H, or L
or
M
(a
memory
refercnce
via
thc 16-bit addrcss
in
the
Hand
L registers). The
MOY
instruction, which
calls for two operands, can
~pecify
M for only one of
its
operands.
Designates
g·bit immcdiatc operand.
Dcsigna
tes a 16-bit address.
Dcsignates an g-bit port numbcr.
Dcsignates a 16-bit
rcgisTer
pair (B&C,D&E.H&L,or SP).
Dcsignatcs a 16 -bit immediatE' opcrand.
ALL
MNEMONICS © 7974, 7975, 7976, 7977
INTEL
CORPORA
TlON
1-23

Table of Contents

Related product manuals