EasyManua.ls Logo

INVT DA180-S4R5SG0

INVT DA180-S4R5SG0
316 pages
To Next Page IconTo Next Page
To Next Page IconTo Next Page
To Previous Page IconTo Previous Page
To Previous Page IconTo Previous Page
Loading...
DA180 series basic AC servo drive Control modes
-31-
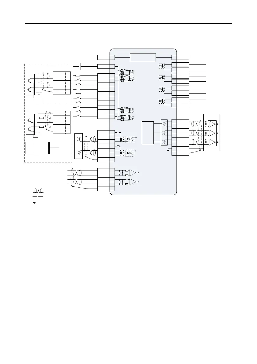
4.1 Standard wiring diagram for position control
Frequency
divider
External
controller
Note: user-provided
DC12~24V
- +
DI common terminal
EMG 39
SON 16
ZRS 37
POT 3
NOT 4
CLA 10
SC1 34
SC2 17
RPC 18
PLL 22
Command pulse
inhibiting
Residual pulse clearing
Electronic gear
selection 2
Electronic gear
selection 1
Alarm clearing
Servo enabling
Zero speed clamp
COM+ 2
44 OA+
43 OA-
41 OB+
42 OB-
FG
AD1 20
GND 6
AD2 7
GND 6
FG
AM26LS32
or equivalent chip
Differential command
pulse input (max.
4Mpps)
28 OZ+
27 OZ-
󴘐
󴘐
6 GND GND
CN1
Analog input 1
Analog input 2
Analog signal GND
Analog signal GND
Max load
capability for
each output
terminal:
DC30V, 50mA
15 ALM+
19 ALM-
Fault alarm output
14 RDY+
5 RDY-
Servo being ready
29 ZSO+
35 ZSO-
Zero speed output
11 PLR+
8 PLR-
Positioning
completion
PULS+ 23
PULS- 24
SIGN- 33
FG
SIGN+ 32
24V power, with a built-in
current limit resistor
1224V power, with an
external current limit resistor
V
DC
(12~24V)
OCP 38
PULS- 24
SIGN- 33
FG
OCS 31
V
DC
(24V)
R
R
V
DC
-1.5
R+68
10mA
Note: The max. open collector
input is 200kpps.
12V 1k,1/4W
24V 2k,1/3W
V
DC
Resistor reference
+
-
+
-
PULS+ 23
PULS- 24
OCP 38
2kΩ
SIGN+ 32
SIGN- 33
OCS 31
2kΩ
FG
12V 40
Internal DC12V power
Note: Capacity 100mA
12 GND
Emergency stop
Forward drive disabling
Reverse drive disabling
Position control mode
1. ( ) is shielded twisted cable.
2. ( ) is user-provided power.
3. ( ) is GND, corresponding to pin 6/12.
Note:

Table of Contents

Related product manuals