EasyManua.ls Logo

JRC JFE-680 - Transducer Model NKF-341 Installation

JRC JFE-680
86 pages
Print Icon
To Next Page IconTo Next Page
To Next Page IconTo Next Page
To Previous Page IconTo Previous Page
To Previous Page IconTo Previous Page
Loading...
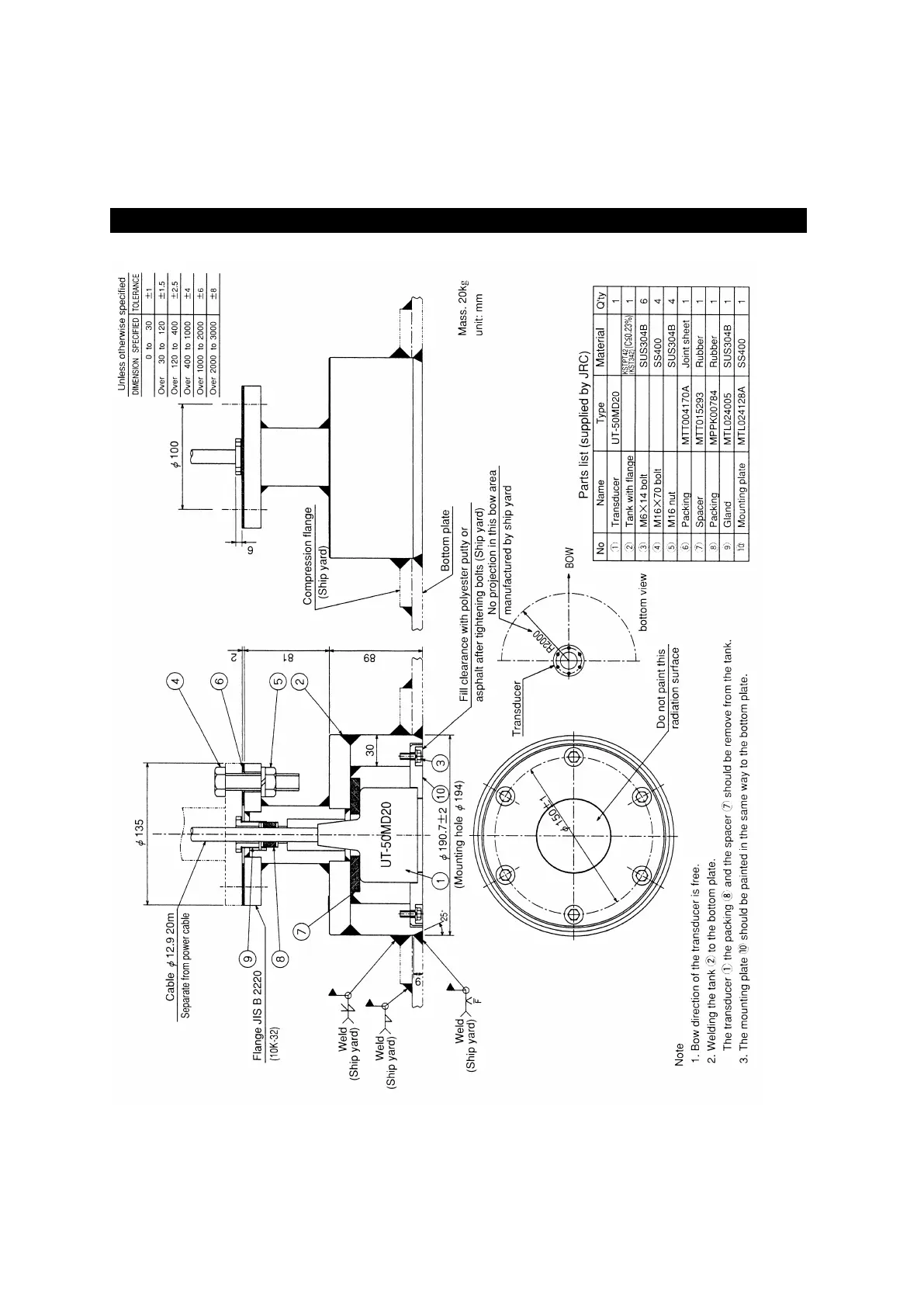
NKF-345
5. Installation 45

Table of Contents

Other manuals for JRC JFE-680

Related product manuals