EasyManua.ls Logo

Kaba access manager 92 30 - Access Control with Readers Via Wiegand; Installation Lines

Kaba access manager 92 30
89 pages
Print Icon
To Next Page IconTo Next Page
To Next Page IconTo Next Page
To Previous Page IconTo Previous Page
To Previous Page IconTo Previous Page
Loading...
Installation Technical Manual
40 04045376 - 05/2016 Kaba access manager 92 30
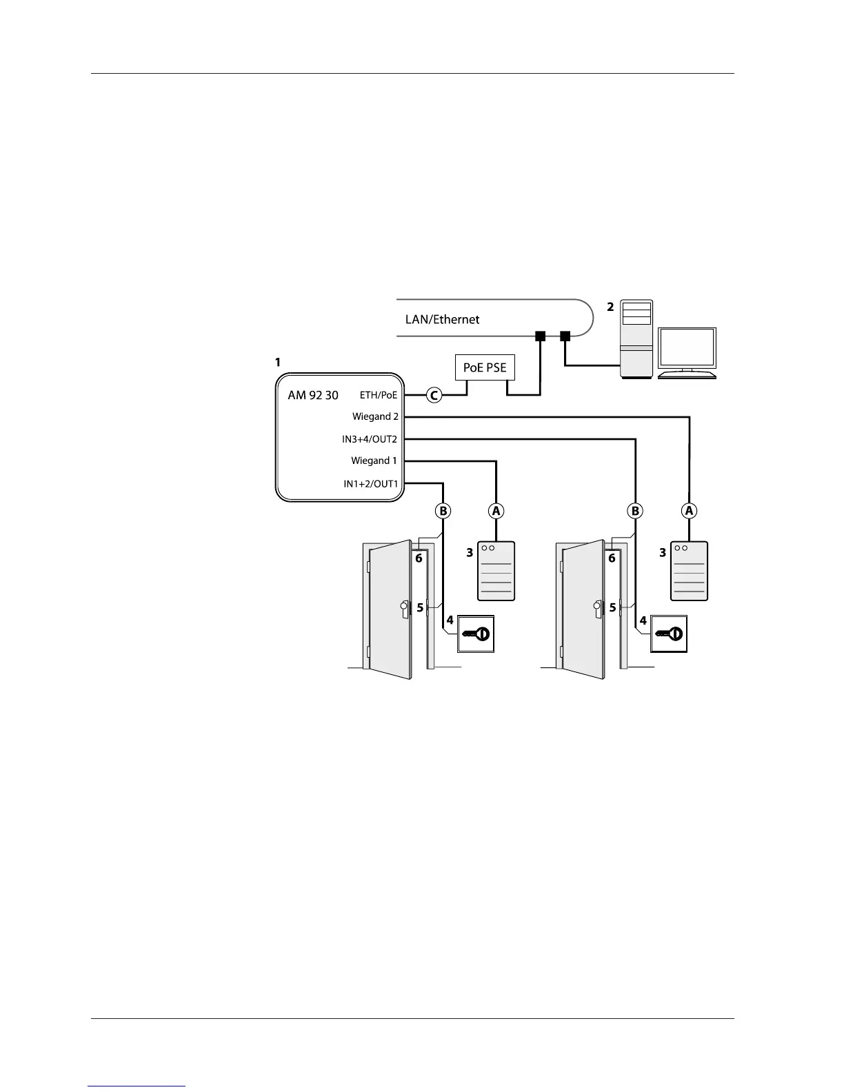
5.2.3 Access control with readers via Wiegand
Example:
Access control with external readers via Wiegand interface
PoE power supply of the access manager
Method for feeding in the power supply via the PSE (Power Sourcing Equip-
ment):
End span (direct supply, e.g. via PoE switch)
Midspan (supply via intermediate sources, e.g. PoE injector)
1 Kaba access manager 92 30
2 Host computer
3 External reader equipped with Wiegand interface
4 Door opener key
5 Door-opener
6 Door frame contact
Installation lines
A Data cable to the reader (Wiegand)
B Line to the door contact, the door opener key, and the door opener
C Ethernet network cable

Table of Contents

Related product manuals