EasyManua.ls Logo

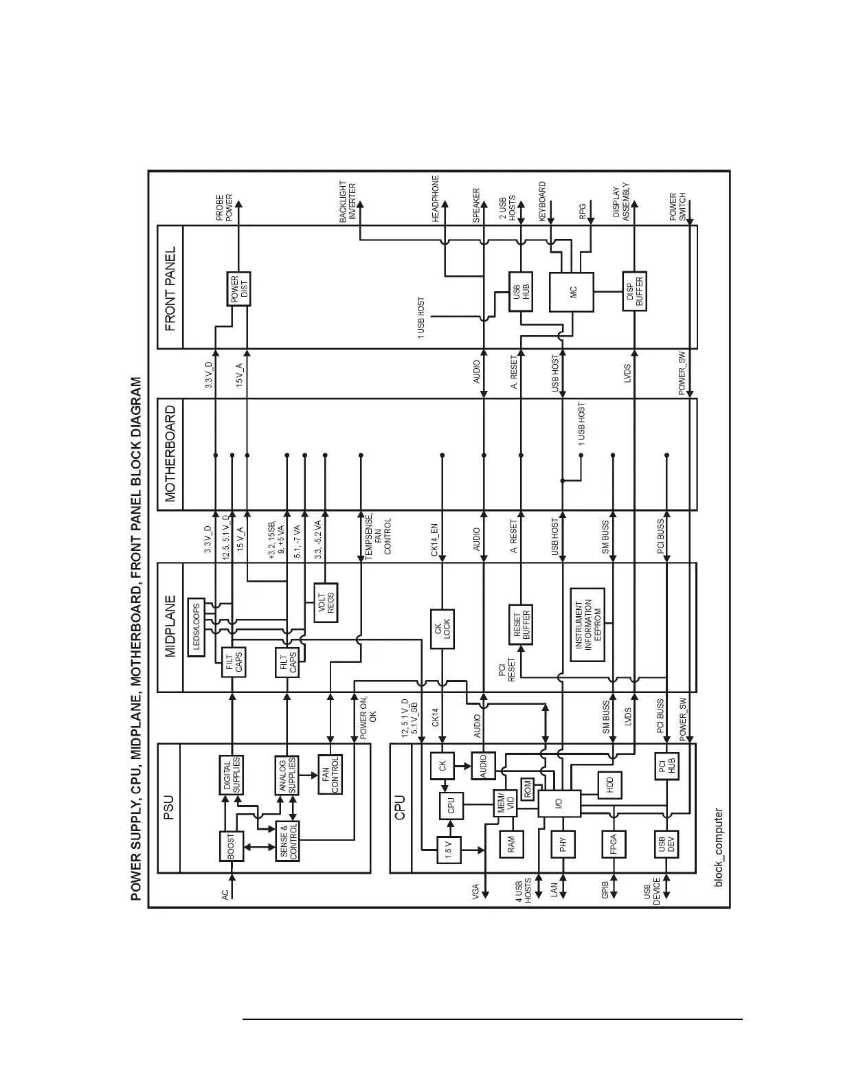
Keysight N9000A - CXA Computer Block Diagram

Keysight N9000A
322 pages
To Next Page IconTo Next Page
To Next Page IconTo Next Page
To Previous Page IconTo Previous Page
To Previous Page IconTo Previous Page
Loading...
Chapter 10 185
Block Diagrams
Block Diagrams
CXA Computer Block Diagram

Table of Contents

Other manuals for Keysight N9000A

Related product manuals