EasyManua.ls Logo

Komatsu 830E - Page 494

Komatsu 830E
783 pages
Print Icon
To Next Page IconTo Next Page
To Next Page IconTo Next Page
To Previous Page IconTo Previous Page
To Previous Page IconTo Previous Page
Loading...
L8-2 Hoist Circuit Component Repair L08031
O-Ring Replacement
NOTE: It is not necessary to remove the individual
valve sections to accomplish repair, unless
emergency field repair is required to replace the O-
rings between sections to prevent leakage.
Loosening and retightening of the main valve tie rod
nut could cause distortion resulting in binding or
severely sticking plungers, poppet and spools.
To replace the O-rings between the valve sections:
1. Match mark each part on the hoist valve to aid
in reassembly. Remove the four tie rod nuts
from one end of the valve. Slide the tie rods
from the valve and separate the sections.
2. Inspect the machined sealing surfaces for
scratches or nicks. If scratches or nicks are
found, remove by lapping on a smooth flat steel
surface with fine lapping compound.
3. Lubricate the new O-rings lightly with multipur-
pose grease. Replace O-rings between sec-
tions. Stack the sections together making sure
O-rings between the sections are properly posi-
tioned.
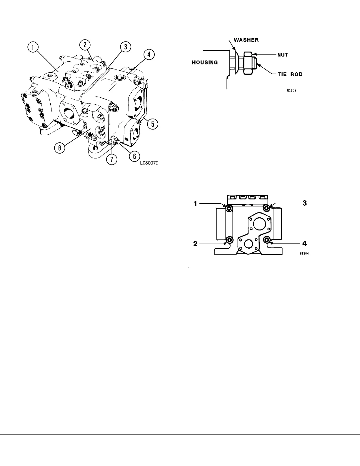
4. Install the four tie rods with the dished washer
between the nut and housing (Figure 8-3).
5. A torque wrench should be used to tighten the
nuts in the pattern as shown in Figure 8-4. The
tie rods should be tightened evenly to 160 ft.
lbs. (217 N.m) torque in the following
sequence.
a. Tighten nuts evenly to 20 ft. lbs. (27 N.m)
torque in order 1, 4, 2, 3.
b. Tighten nuts evenly to 50 ft. lbs. (68 N.m)
torque in order 1, 4, 2, 3.
c. Tighten nuts evenly to 160 ft. lbs. (217 N.m)
torque in order 1, 4, 2, 3.
INLET SECTION
Disassembly
1. Match mark or identify each part when removed
in respect to its location or respect to its mating
bore to aid reassembly.
2. Disconnect the external tube at the cover end
and remove. Remove capscrews (14, Figure 8-
5), remove cover (13). Remove springs (12),
poppets (11) and O-rings (10).
NOTE: Inlet section shown removed from main valve
body for clarity.
3. Remove capscrews (1) and cover (2). Remove
springs (3 & 5) and main relief valve (4).
Remove sleeve (6), low pressure relief (7) and
O-rings (8). The main relief valve (4) is factory
preset at 2500 psi (17.2 MPa). Replace as a
complete assembly only. If adjustment is neces-
sary, refer to “Checking Hoist System Pressure
Relief Valve” later in this section.
1. Inlet Section
2. Spool Section Cover
3. Spool Section
4. Inlet Section
5. Tube
6. Tie Rods
7. Nuts and Washers
8. Inlet Section Cover
FIGURE 8-2. HOIST VALVE ASSEMBLY
FIGURE 8-3. TIE ROD INSTALLATION
FIGURE 8-4. TIGHTENING SEQUENCE

Table of Contents

Other manuals for Komatsu 830E

Related product manuals