EasyManua.ls Logo

Komatsu 830E - Page 526

Komatsu 830E
783 pages
Print Icon
To Next Page IconTo Next Page
To Next Page IconTo Next Page
To Previous Page IconTo Previous Page
To Previous Page IconTo Previous Page
Loading...
L10-14 Hydraulic Check-out Procedure 05/03 L10016
Hoist Counterbalance Valve Adjustment
Preparation:
Note: The ports and valves referred to in the
following procedures are labelled on the
counterbalance manifold valve body.
1. With the engine shut down, the body resting on
the frame, the hoist valve in the FLOAT position
and hydraulic system pressure bled down,
loosen locknut on adjustment stem of needle
valve (9, Figure 10-9) on counterbalance mani-
fold (2). Turn adjustment stem fully clockwise.
2. Remove fitting from “PILOT VENT” port (8) on
counterbalance manifold. This port will remain
open to atmosphere during adjustment; do not
allow dirt to enter open port.
Note: It is suggested a clean SAE #4 (1/4") hydraulic
hose is installed in the open port and the hose
pointed downward.
3. Install a 5000 psi (35,000 kPa) gauge at test port
“TR” (7) on counterbalance manifold. (Gauge
will measure rod end pressure; the pressure
controlled by the counterbalance valve.)
Counterbalance Valve Pressure Check Only:
1. Start the engine. At low idle, raise the body and
as it extends to the third stage, read the pres-
sure on the gauge connected to the “TR” port.
(All counterbalance valve pressures are read/
adjusted while hoist cylinders are in third
stage.)
a. If pressure is 3000 psi (20.7 MPa) or above,
stop hoisting immediately.
Pressure is adjusted too high and must be
lowered. Go to Counterbalance Valve
Adjustment” and perform adjustment proce-
dure.
b. If pressure is below 3000 psi (20.7 MPa),
increase engine speed by approximately 300
rpm and observe pressure on gauge.
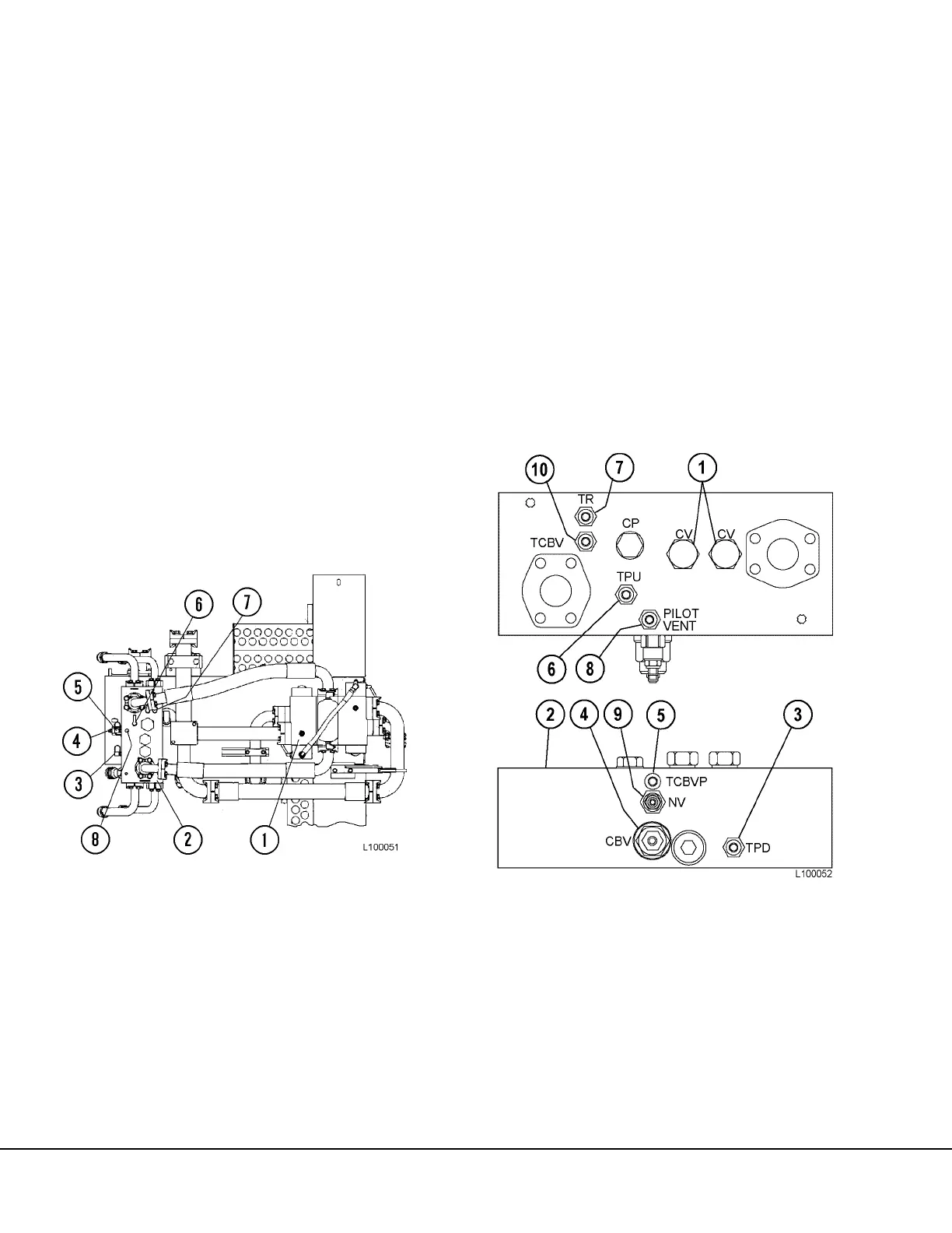
1. Hoist Valve
2. Counterbalance Manifold
3. Power Down Test Port (TPD)
4. Counterbalance Valve (CBV)
5. Counterbalance Valve Test Port (TCBVP)
6. Power Up Test Port (TPU)
7. Test Port (TR)
8. Pilot Vent Port
FIGURE 10-8. COUNTERBALANCE VALVE
FIGURE 10-9. COUNTERBALANCE VALVE
1. Check Valves
2. Counterbalance Manifold
3. Power Down Test Port (TPD)
4. Counterbalance Valve
5. Counterbalance Valve Test Port (TCBVP)
6. Power Up Test Port (TPU)
7. Test Port (TR)
8. Pilot Vent Port
9. Needle Valve
10. Counterbalance Valve Port (TCBV)

Table of Contents

Other manuals for Komatsu 830E

Related product manuals