EasyManua.ls Logo

Komatsu 830E - Page 555

Komatsu 830E
783 pages
Print Icon
To Next Page IconTo Next Page
To Next Page IconTo Next Page
To Previous Page IconTo Previous Page
To Previous Page IconTo Previous Page
Loading...
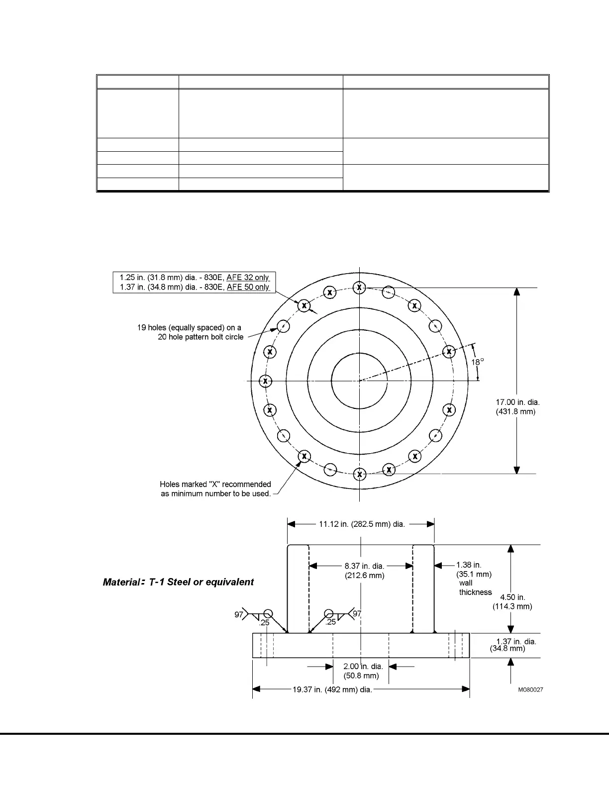
PART NO. DESCRIPTION USE
Make locally
using
dimensions
shown below
Puller Tool
To separate front wheel spindle from
suspension piston
KC7091 Pusher Capscrews, 1.12 x 7 in.
Use for 830E, AFE 32 ONLY
WA0365 Hardened Flat Washers 1.12 in.
KC7095 Pusher Capscrews, 1.25 x 8 in.
Use for 830E, AFE 50 ONLY
WA0366 Hardened Flat Washers 1.25 in.
M08005 7/02 Special Tools M8-5

Table of Contents

Other manuals for Komatsu 830E

Related product manuals