EasyManua.ls Logo

Komatsu 830E - Page 757

Komatsu 830E
783 pages
Print Icon
To Next Page IconTo Next Page
To Next Page IconTo Next Page
To Previous Page IconTo Previous Page
To Previous Page IconTo Previous Page
Loading...
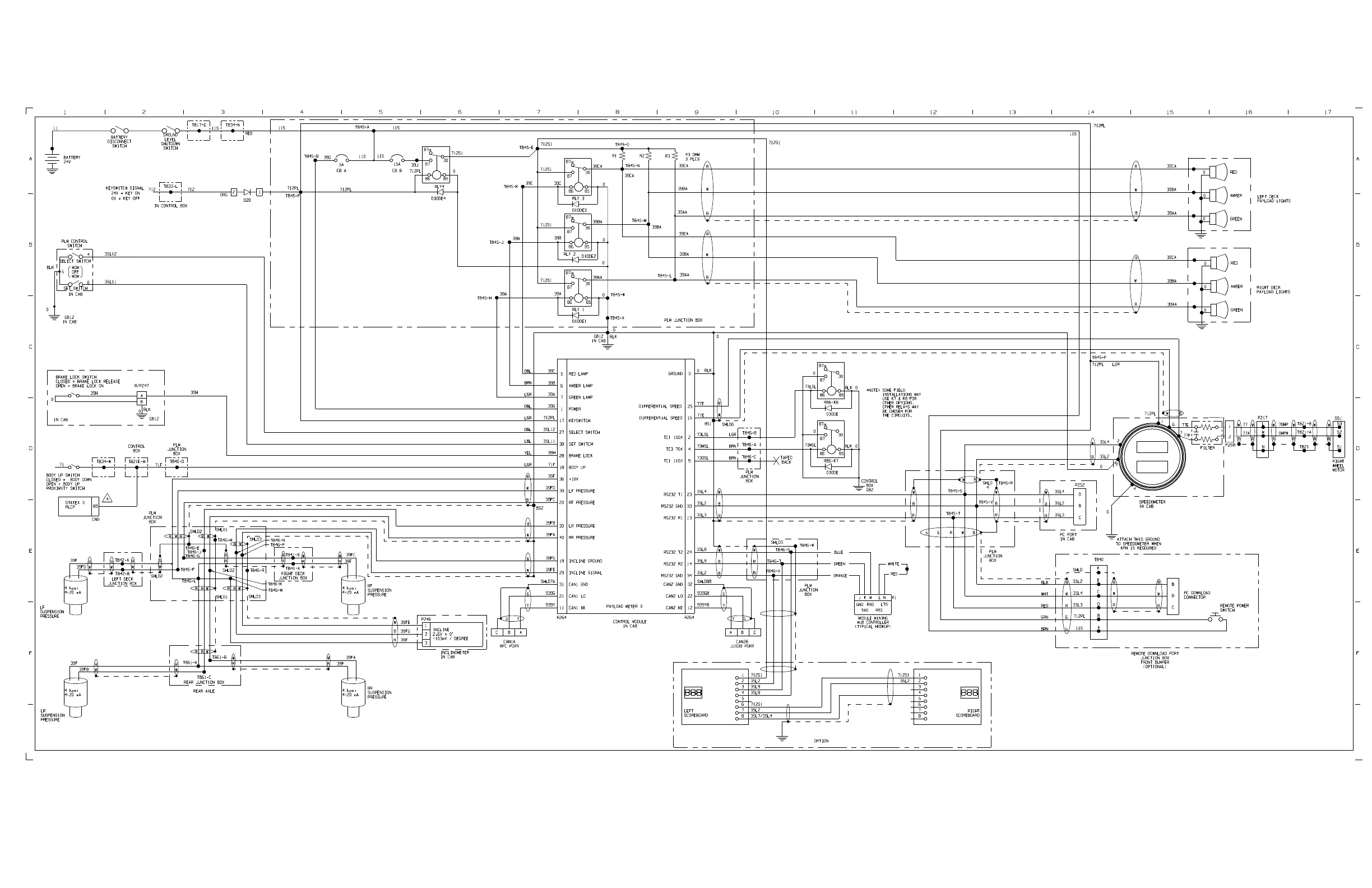
Electrical Schematic
Payload Meter III
730E: A30212 and UP
830E: A30650 and UP
Sheet 1 of 1
NOTE:
FIELD RETROFITS DO NOT
HAVE CONNECTOR P268
HE481 June 03

Table of Contents

Other manuals for Komatsu 830E

Related product manuals