EasyManua.ls Logo

Korg PA3X - Page 50

Korg PA3X
125 pages
Print Icon
To Next Page IconTo Next Page
To Next Page IconTo Next Page
To Previous Page IconTo Previous Page
To Previous Page IconTo Previous Page
Loading...
KID-A002169_1
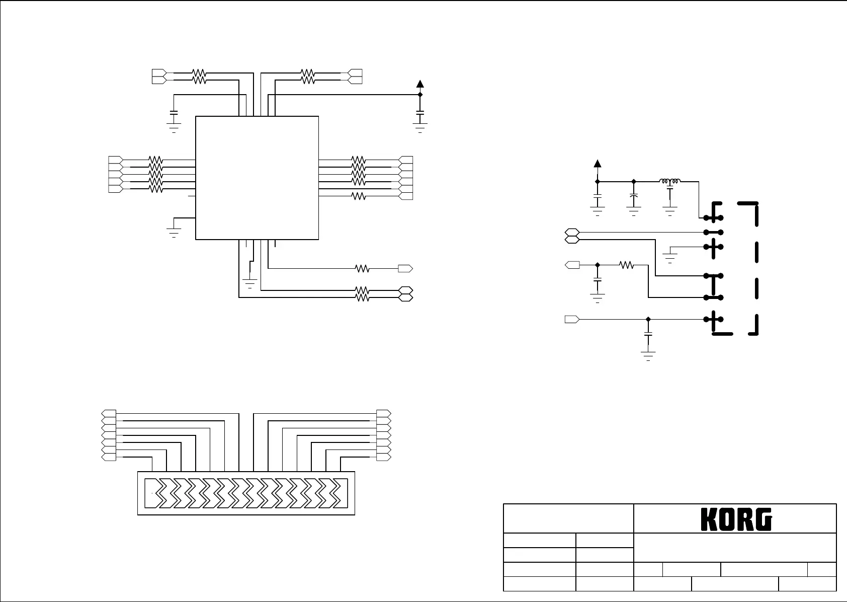
RIBBON CONTROL Pa3X
1
1
M.Palombini
M.Caldari
DRAWN NO.
TITLE
SIZE
SHEET
OF
SHEETS
DRAWN
DATE
LEFT PANEL
CN21-1
CN21-2
CN21-3
CN21-4
CN21-5
CN21-6
+
C23
10u
C26
100p
R27
68E
C22
100n
1
2
3
L21
C21
100n
14
13
12
11
10
9
8
7
6
5
4
3
2
1
TS21
TOUCH_SLIDER_14
1
P25/AI
2
P23/AI
3
P21/A1
4
P17/AI
5
P15/AI
6
P13/AI
18
P04/AI
17
P02/AI
16
P00/AI
15
P20/AI
14
XRES
13
P16/AI
19
P06/AI
20
VDD
21
P07/AI
22
P05/AI
23
P03/AI
24
P01/AI
12
P14/AI
11
P12/AI
10
P10/SDA/AI
9
VSS
8
NC
7
P11/SCL/AI
25
CP
U21
CY8C20334-12LQXI
R26
22E
R23
22E
R30
68E
C25
1n
C24
100n
R21
560E
R24
560E
R28
560E
R31
560E
R33
560E
R36
560E
R32
560E
R29
560E
R25
560E
R22
560E
R38
560E
R35
560E
R37
560E
R34
560E
SCL
SDA
RST_RIBBON
RIBBON_TX
RCS0
RCS1
RCS2
RCS3
RCS4
RCS5
RCS6
RCS7
RCS8
RCS9
RCS10
RCS11
RCS12
RCS13
+3.3V
SDA
SCL
RIBBON_TX
+3.3V
RST_RIBBON
RCS0
RCS1
RCS2
RCS3
RCS4
RCS5
RCS6
RCS7
RCS8
RCS9
RCS10
RCS11
RCS12
RCS13

Table of Contents

Related product manuals