EasyManua.ls Logo

Kyocera KM-4230

Kyocera KM-4230
602 pages
To Next Page IconTo Next Page
To Next Page IconTo Next Page
To Previous Page IconTo Previous Page
To Previous Page IconTo Previous Page
Loading...
2A3/4
2-3-1
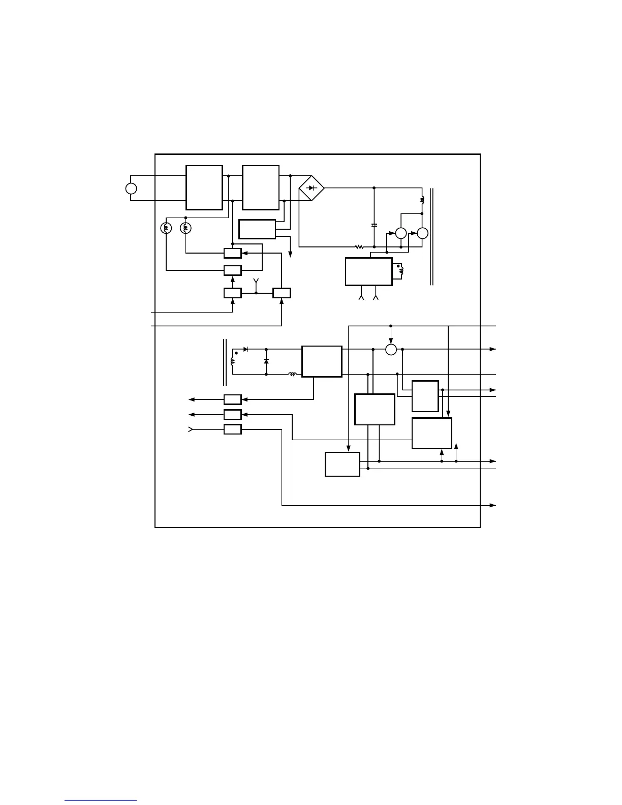
2-3-1 Power source PCB
Noise filter
circuit L1
Noise filter
circuit L2
Zero-cross
circuit
24 V DC
output circuit
IC2
12 V DC
output
circuit
IC6
5.1 V DC
output circuit
IC3 (main)
Q302
Overvoltage/
overcurrent
detection
circuits
PWM control
circuit (IC1)
TR2
TR3
H2 REM
H2 H1
H1 REM
PT2
PC1
PC2
PC3
PT1
L
*
* For 120 V specifications only.
PSPCB
Rectifier circuit
D
TRNS
C
Q201
D
D201
D202
SLEEP SIG
24 V DC
GND
GND
5.1 V DC
GND
Z CROSS SIG
12 V DC
L201
C101
Q1 Q2
D001
R129
N
A
B
C
T1
+
AB
~
Figure 2-3-1 Power source PCB block diagram

Table of Contents

Other manuals for Kyocera KM-4230

Related product manuals