EasyManua.ls Logo

L-Acoustics K2 - Page 128

L-Acoustics K2
192 pages
Print Icon
To Next Page IconTo Next Page
To Next Page IconTo Next Page
To Previous Page IconTo Previous Page
To Previous Page IconTo Previous Page
Loading...
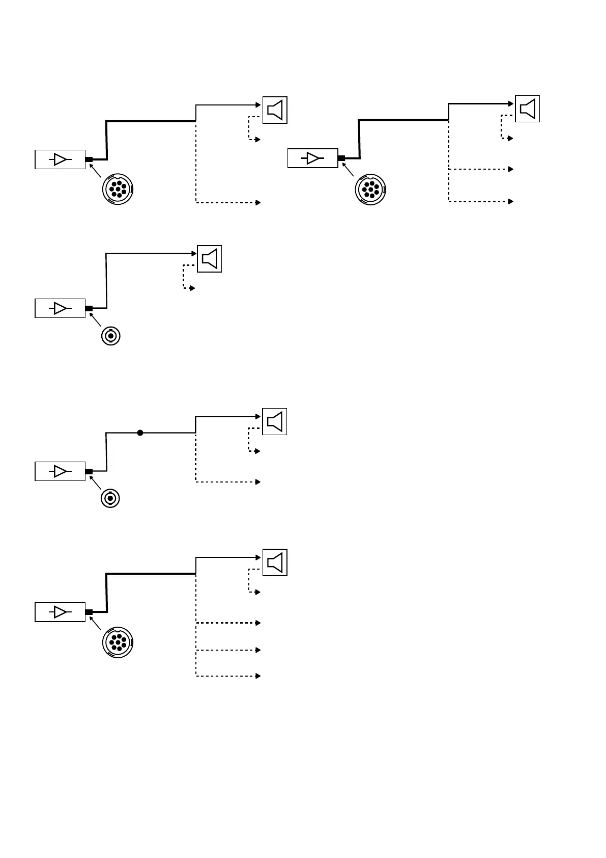
Connection to LA amplied controllers
Cabling scheme for Kara
Four-channel CA-COM output
DO
SP
DOFILL-LA8
2W CH(A)
2W CH(B)
DO
SP
DO3WFILL
2WAY
SUB2
SUB1
Two-channel speakON output
SP
SP
1+/1-
2+/2-
Cabling schemes for subwoofers
Two-channel speakON output
SP
SP
SP-Y1
CC4FP
CH(1)
CH(2)
1+/1-
2+/2-
Four-channel CA-COM output
DO
SP
DOSUB-LA8
SPK1
SPK2
SPK3
SPK4
128 K2 owner's manual (EN) version 1.1

Table of Contents

Other manuals for L-Acoustics K2

Related product manuals