EasyManua.ls Logo

Lexmark E360d - Page 170

Lexmark E360d
180 pages
Print Icon
To Next Page IconTo Next Page
To Next Page IconTo Next Page
To Previous Page IconTo Previous Page
To Previous Page IconTo Previous Page
Loading...
7-6 Lexmark™ E360d, E360dn
4513-420, -430
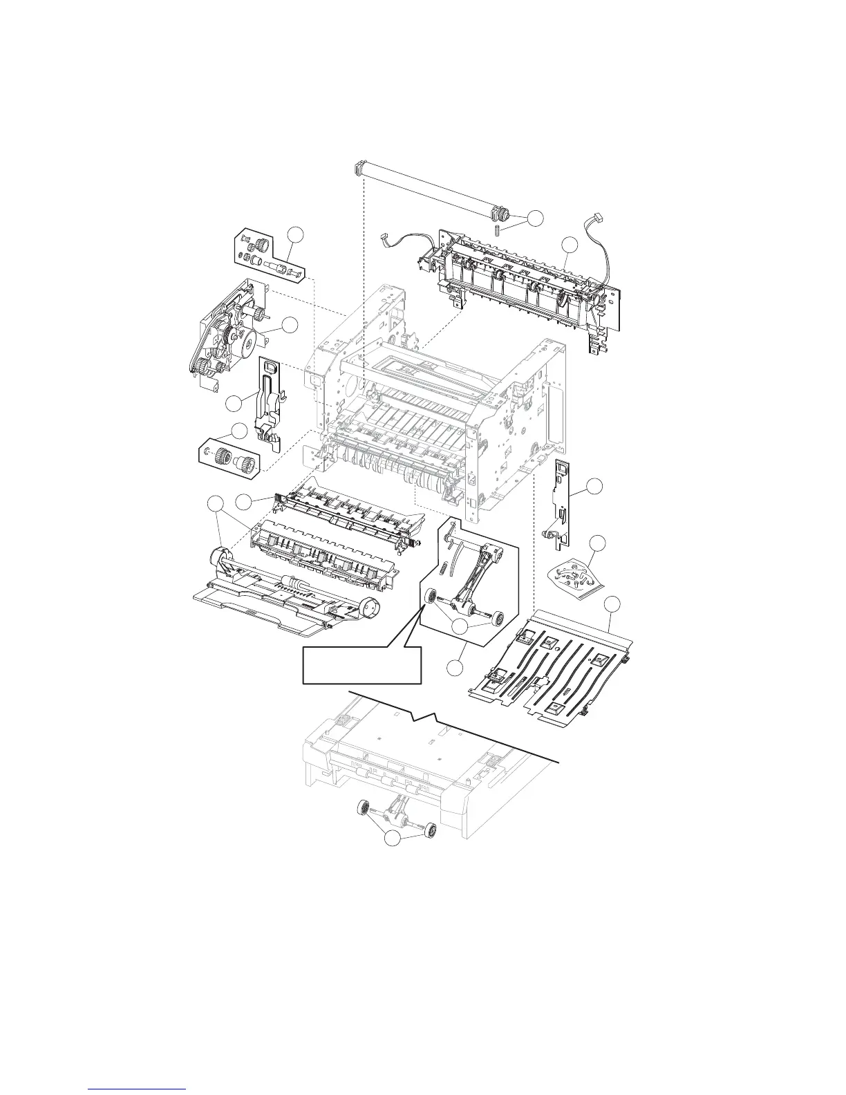
Assembly 3: Frame
7
1
2
5
6
7
12
8
See instruction
sheet in the FRU.
9
10
11
3
4
3

Table of Contents

Other manuals for Lexmark E360d

Related product manuals