EasyManua.ls Logo

Linde E25 - Temperature Monitoring with Thermal Sensors from Series 7;95

Linde E25
168 pages
Print Icon
To Next Page IconTo Next Page
To Next Page IconTo Next Page
To Previous Page IconTo Previous Page
To Previous Page IconTo Previous Page
Loading...
Service Training
Section 2.6
Page 51
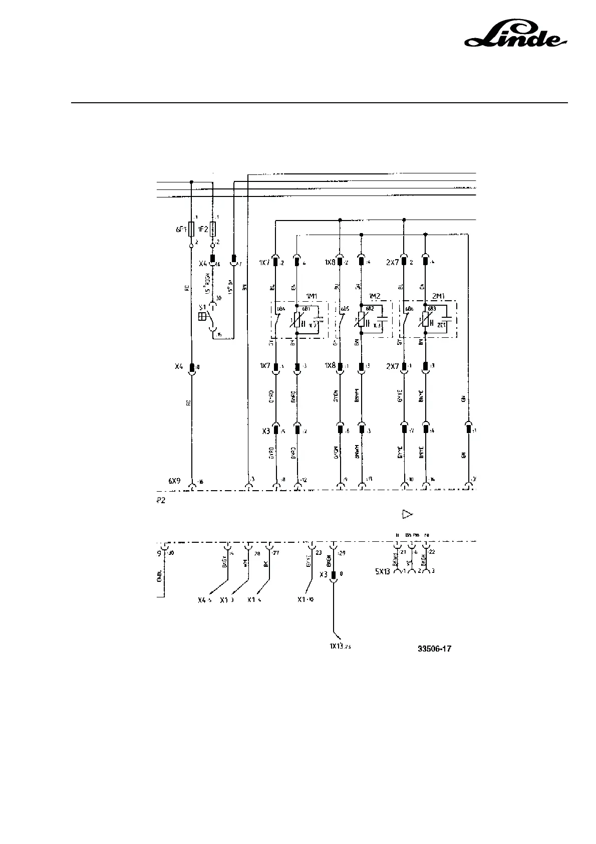
2.6.6.7.2 TEMPERATURE MONITORING WITH THERMAL SENSORS FROM SERIES 7/95
One thermal sensor 6B1 or 6B2 is mounted to each of the traction motor brush holders. The temperature
sensor consists of a cold conductor (PTC-resistor). Cold conductors conduct electric current in the warm
state less effectively than in the cold state. The thermal resistance of the thermal sensor increases rapidly
with rising temperature. The resistance of the thermal sensor is evaluated by the combined instrument.
The two thermal sensors are connected to the combined instrument via terminals 6X9:12 and :13. When
the temperature is 160 °C, the battery negative signal at 6X29:29 (electronic traction unit 1X13:23) is cut
out by the combined instrument. This reduces the maximum truck speed by 50 percent.

Table of Contents

Related product manuals