EasyManua.ls Logo

Linde E25 - Control of Direction Contactors

Linde E25
168 pages
Print Icon
To Next Page IconTo Next Page
To Next Page IconTo Next Page
To Previous Page IconTo Previous Page
To Previous Page IconTo Previous Page
Loading...
Service Training
Section 2.6
Page 41
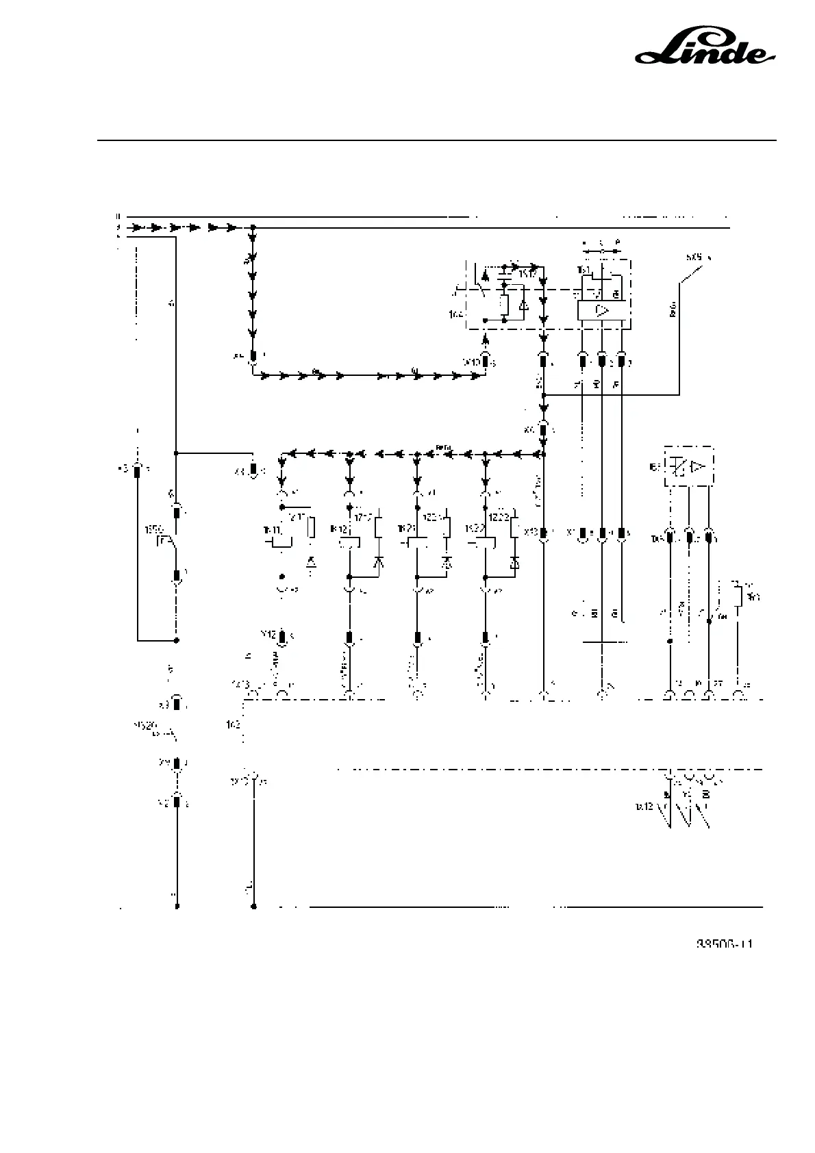
2.6.6.3 CONTROL OF DIRECTION CONTACTORS
When key switch S1 is turned on and the seat switch is actuated, battery positive is applied to 1X10:5 of the
accelerator sensor. When the accelerator pedal is depressed either for forward or reverse travel, battery
positive is applied via microswitch 1S12 to the coils of the four directional contactors. The field effect
transistors in the electronic traction control unit control the appropriate directional contactors, dependent
upon the output voltage of the accelerator sensor.

Table of Contents

Related product manuals