EasyManua.ls Logo

Linde E25 - Reverse Direction of Travel

Linde E25
168 pages
Print Icon
To Next Page IconTo Next Page
To Next Page IconTo Next Page
To Previous Page IconTo Previous Page
To Previous Page IconTo Previous Page
Loading...
Service Training
Section 2.6
Page 43
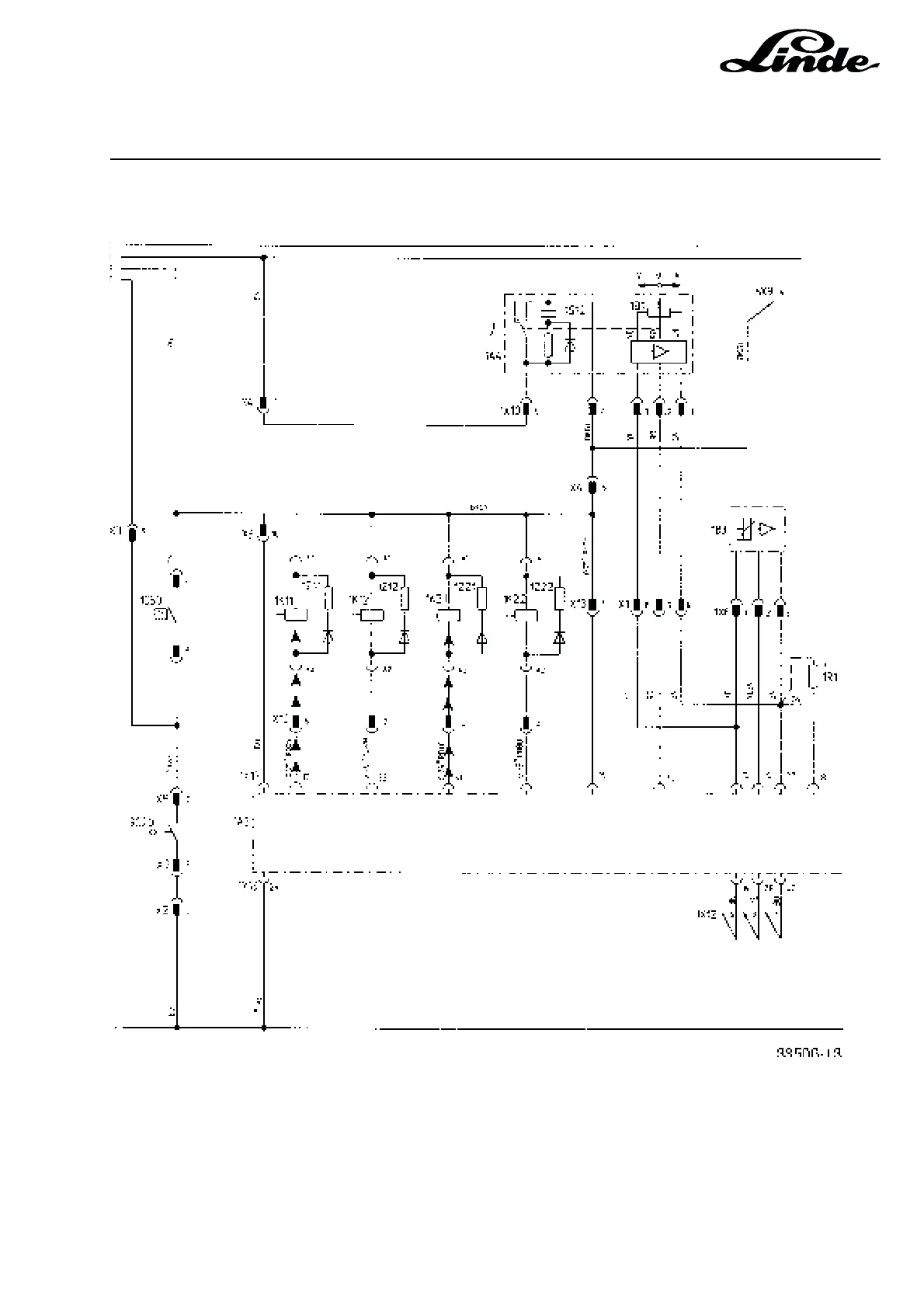
2.6.6.3.2 REVERSE DIRECTION OF TRAVEL
When the accelerator pedal for reverse travel is depressed, the accelerator sensor output voltage at terminal
1X13:24 is over 7.5 Volt. The two transistors for reverse travel now apply battery negative to contactors 1K11
(right-hand motor) and 1K21 (left-hand motor).

Table of Contents

Related product manuals