EasyManua.ls Logo

Linde H45D - Special Equipment Sheet 11 - Lighting, Direction Indicator and Hazard Warning System, Brake Light

Linde H45D
310 pages
Print Icon
To Next Page IconTo Next Page
To Next Page IconTo Next Page
To Previous Page IconTo Previous Page
To Previous Page IconTo Previous Page
Loading...
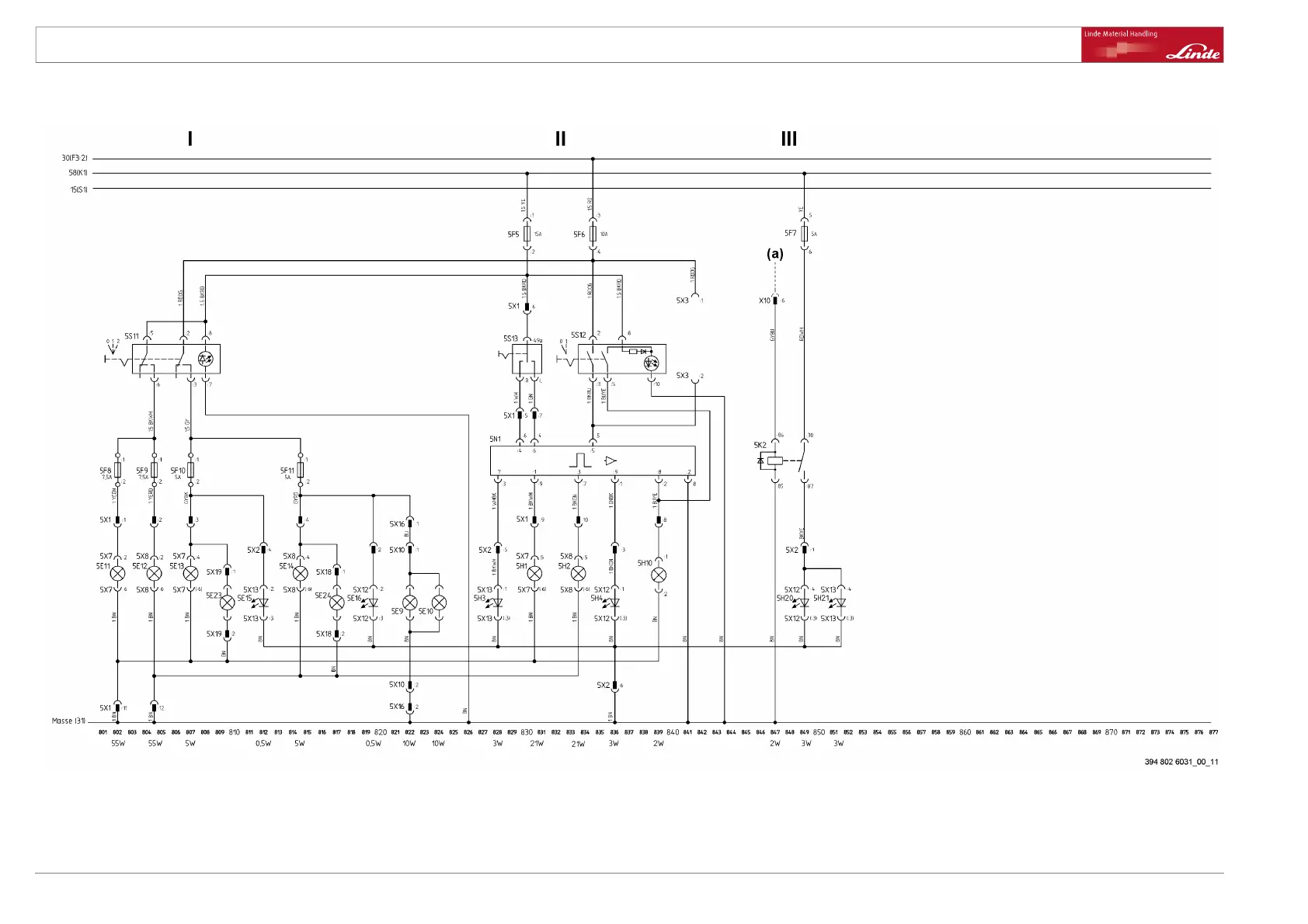
7 Circuit diagrams
Wiring diagram
Special equipment sheet 11 Lighting, direction indicator and hazard warning system, brake light
290 Operating Instructions 394 807 10 01 EN 07/2011

Table of Contents

Related product manuals