EasyManua.ls Logo

Marantz SR9600 - Page 127

Marantz SR9600
231 pages
Print Icon
To Next Page IconTo Next Page
To Next Page IconTo Next Page
To Previous Page IconTo Previous Page
To Previous Page IconTo Previous Page
Loading...
179
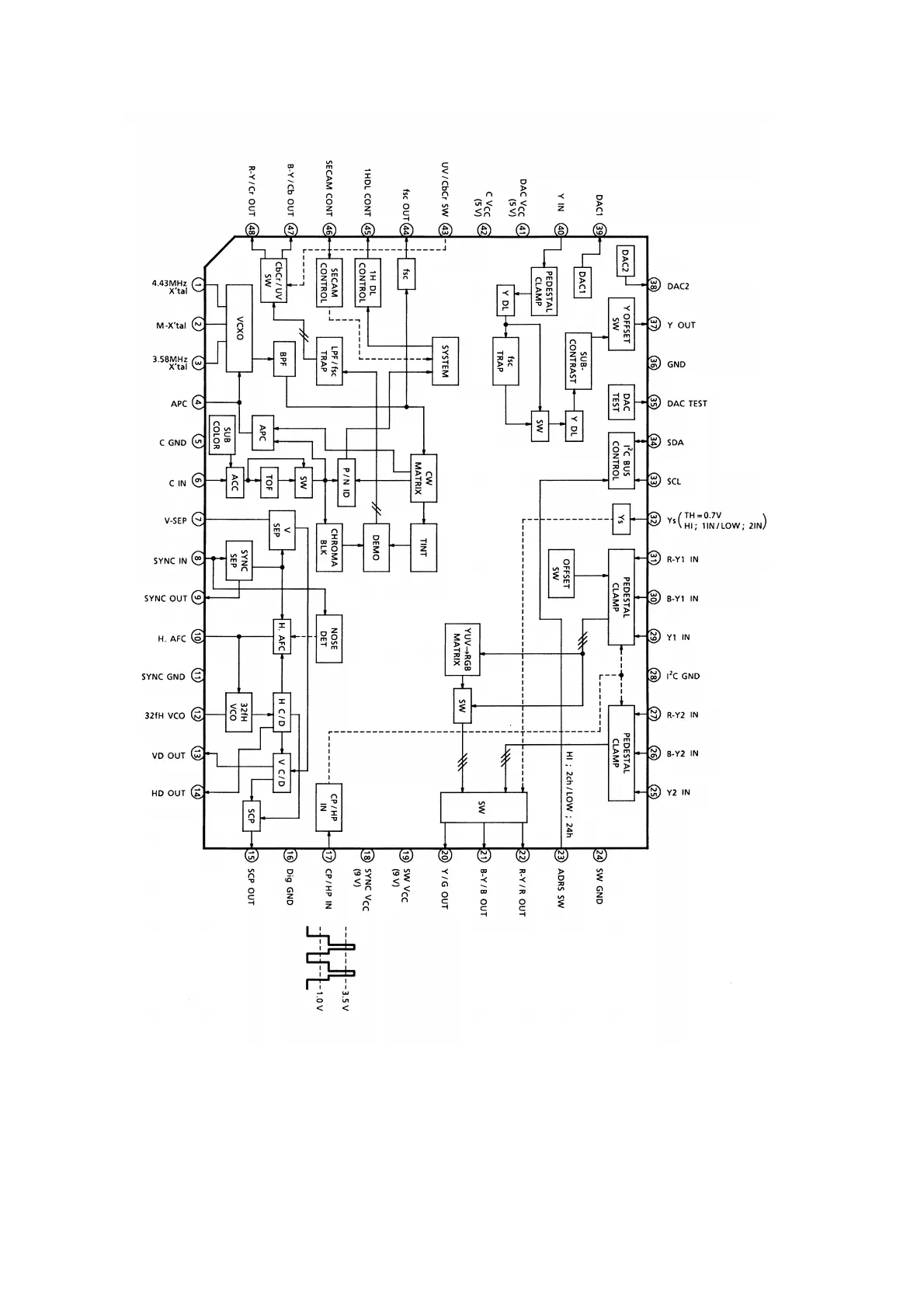
QF45 : TA1270BFG(DRY)

Other manuals for Marantz SR9600

Related product manuals