EasyManua.ls Logo

Marantz SR9600 - Page 146

Marantz SR9600
231 pages
Print Icon
To Next Page IconTo Next Page
To Next Page IconTo Next Page
To Previous Page IconTo Previous Page
To Previous Page IconTo Previous Page
Loading...
198
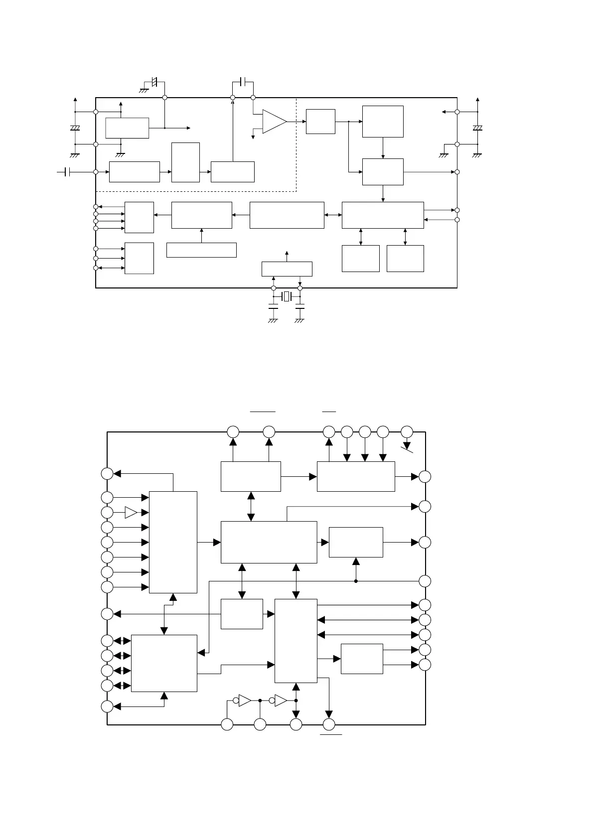
QT01 : LC72722
XMCKXIN XOUT
XMODECICECLINTAUDIO/VOEMPHA/UO
RXOUT
CKST
Demodulation
&
Lock detect
Modulation
or
Parallel Port
Data
Selector
Clock
Selector
Microcontroller
I/F
1/N
PLL
Cbit, Ubit
Input
Selector
RX0
RX1
RX2
RX3
RX4
RX5/VI
TBCK/PIO1
TMCK/PIO0
RMCK
RBCK
SDIN
RDATA
RERR
DO
LPF
RX6/UI
TXO/PIOEN
TDATA/PIO3
TLRCK/PIO2
RLRCK
SBCK
SLRCK
1
10
9
8
5
4
3
2
13
44
45
46
47
48
3332 35 48 39 38 41
21
37
36
22
23
20
17
16
24
29 28 27 34
REFERENCE
VOLTAGE
ANTIALIASING
FILTER
SMOOTHING
FILTER
57 kHz
BPF
(SCF)
TEST
+
PLL
(57 kHz)
V
REF
CLOCK
RECOVERY
(1187.5 Hz)
DATA
DECODER
SYNC
DETECT-2
SYNC
DETECT-1
OSC/DIVIDER
MEMORY CONTROL
CLK(4.332 MHz)
+5V +5V
Vdda
Vssa
MPXIN
T2
T3 to T7
T1
CCB
DI
CE
CL
RAM
(24 BLOCK DATA)
ERROR CORRECTION
(SOFT DECISION)
SYNC/EC CONTROLLER
DO
X
IN
X
OUT
SYR
SYNC
RDS-ID
Vssd
Vddd
CINFLOUT
V
REF
QR01 : LC89057W-VF4-E

Other manuals for Marantz SR9600

Related product manuals