EasyManua.ls Logo

Marksa CSSW 50 - Pre-Heating Kit (H); Description of the Option; Maintenance; Breakdowns

Marksa CSSW 50
100 pages
Print Icon
To Next Page IconTo Next Page
To Next Page IconTo Next Page
To Previous Page IconTo Previous Page
To Previous Page IconTo Previous Page
Loading...
Page 82 / 100 Technical Notice V1.0 / 01.09
12 Options
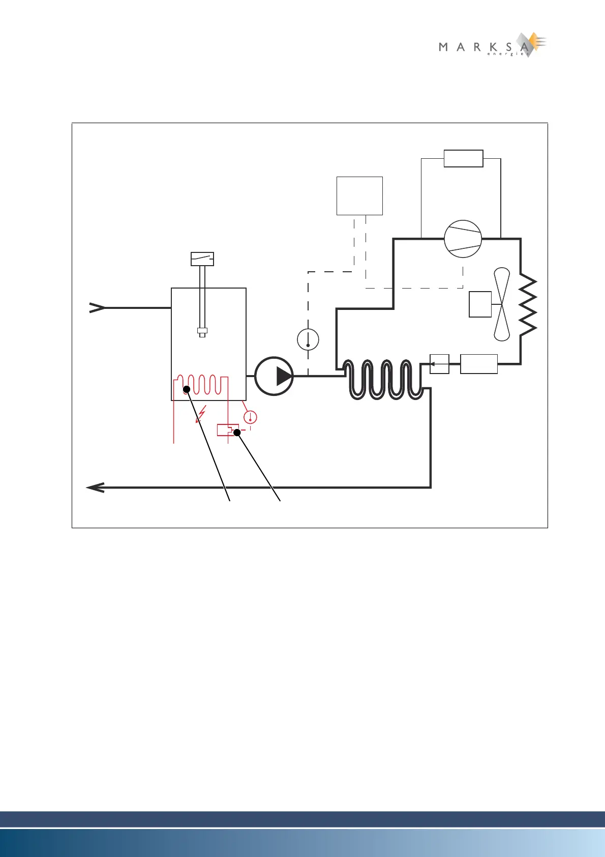
12.8 Pre-heating kit (H)
12.8.1 Description of the option
Heating (1) makes it possible to pre-heat water that might be too cold, particularly useful when pre-hea-
ting the machine or when the refrigeration unit(s) are located outside the building.
A safety thermostat (2) protects the tank from inadequacies in the heating system.
12.8.2 Maintenance
No special maintenance procedures.
12.8.3 Breakdowns
No special breakdown procedures.
Fig. 12-7 : Schéma de principe
TH
BP - HP
(1) (2)

Table of Contents

Related product manuals