EasyManua.ls Logo

Microengine XP-GT Series - Appendix 6 - Connection for XP-GT and XP-GTR Using Fire Release Feature

Microengine XP-GT Series
68 pages
Print Icon
To Next Page IconTo Next Page
To Next Page IconTo Next Page
To Previous Page IconTo Previous Page
To Previous Page IconTo Previous Page
Loading...
60
MicroEn
g
ine
®
XP-GT/GTR Programming Manual
v4.00
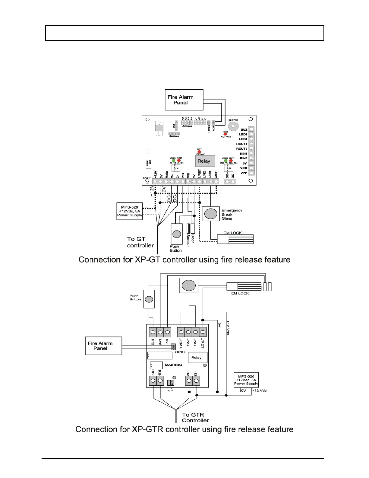
Appendix 6 – Connection for XP-GT and XP-GTR using Fire
Release Feature
[XP-GT/GTR (1200, 3000, 3200, 1200l, 3000L, 3200L)]

Table of Contents