EasyManua.ls Logo

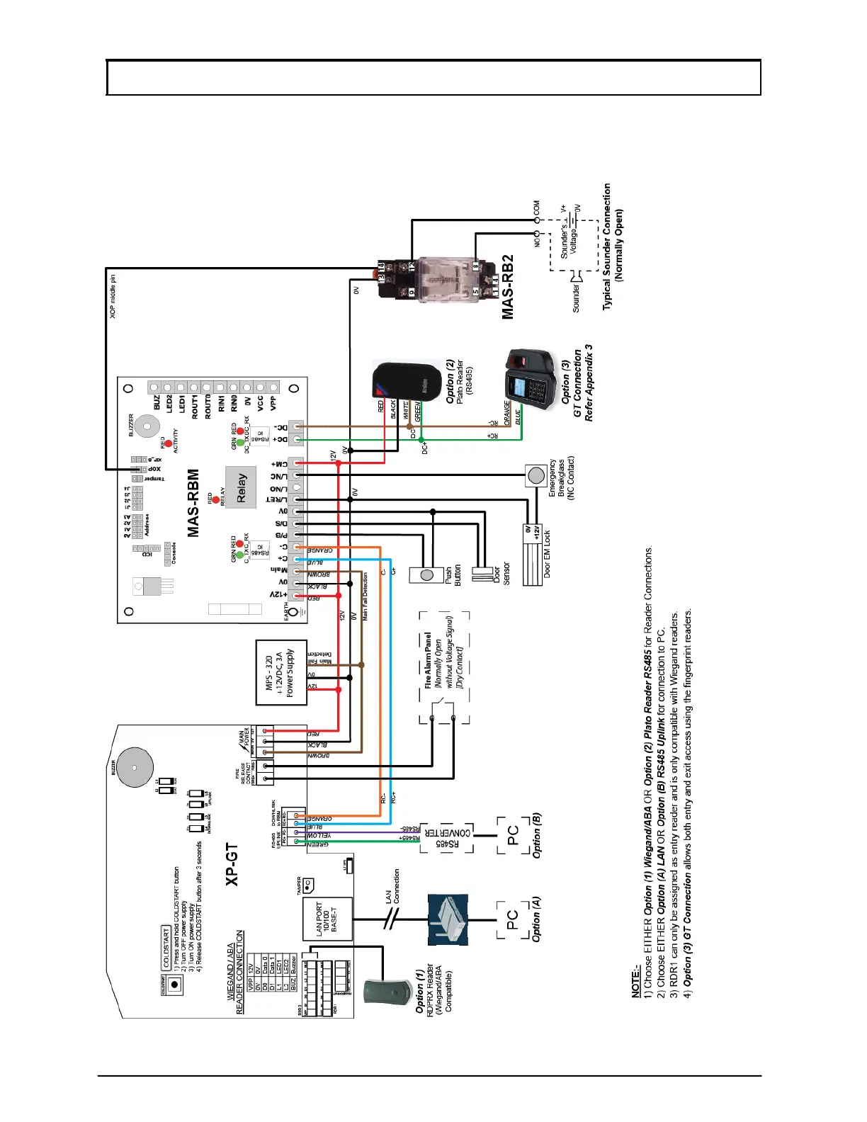
Microengine XP-GT Series - Appendix 11 - Wiring Connection for XP-GT Using Sounder Feature

Microengine XP-GT Series
68 pages
Print Icon
To Next Page IconTo Next Page
To Next Page IconTo Next Page
To Previous Page IconTo Previous Page
To Previous Page IconTo Previous Page
Loading...
65
MicroEn
g
ine
®
XP-GT/GTR Programming Manual
v4.00
Appendix 11 – Wiring Connection for XP-GT using Sounder
Feature
[XP-GT/GTR (1500L, 3500L, 1500ABL, 3500ABL)]

Table of Contents