EasyManua.ls Logo

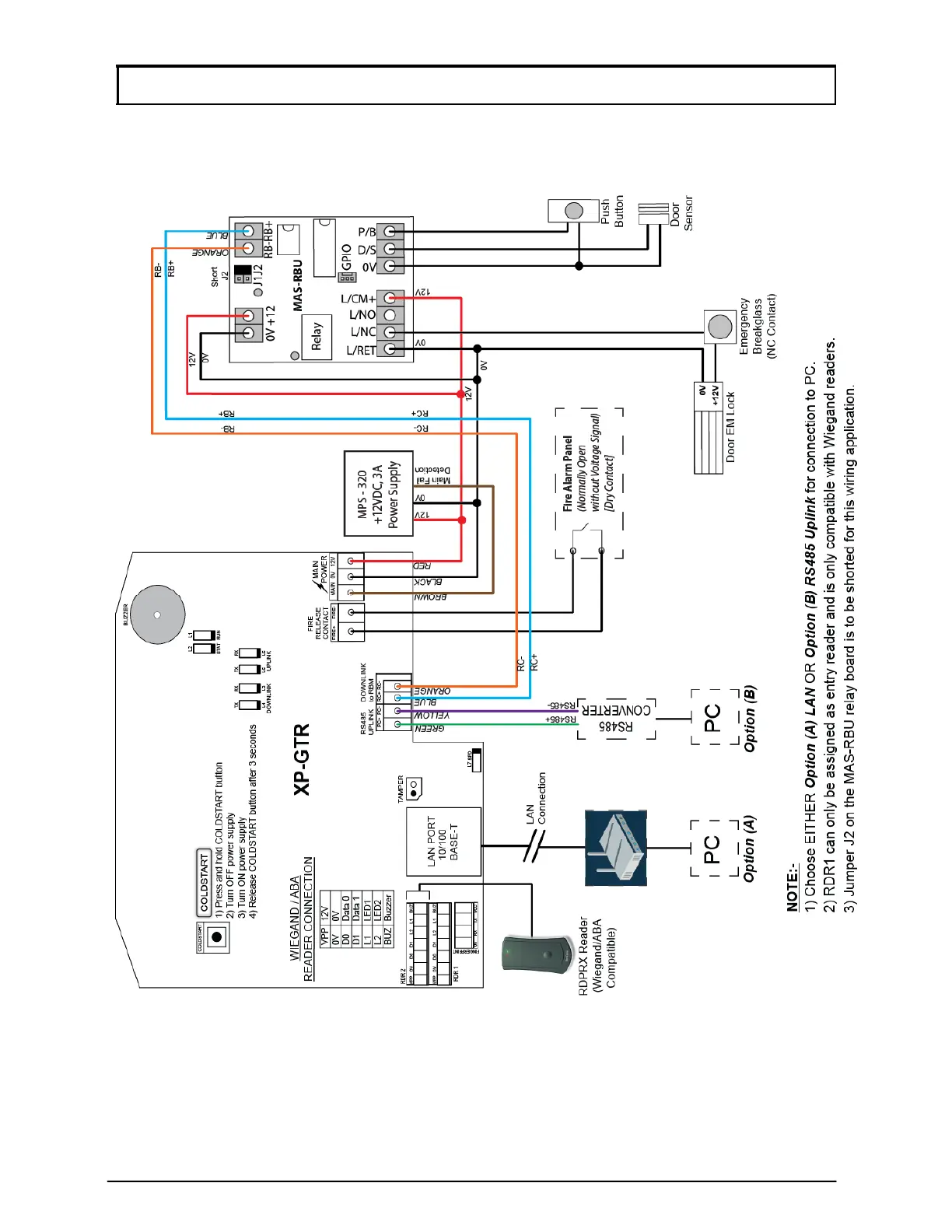
Microengine XP-GT Series - Appendix 9 - General Wiring for XP-GTR Using MAS-RBU

Microengine XP-GT Series
68 pages
Print Icon
To Next Page IconTo Next Page
To Next Page IconTo Next Page
To Previous Page IconTo Previous Page
To Previous Page IconTo Previous Page
Loading...
63
MicroEn
g
ine
®
XP-GT/GTR Programming Manual
v4.00
Appendix 9 –General Wiring for XP-GT using MAS-RBU
[XP-GT/GTR (1500L, 3500L, 1500ABL, 3500ABL)]

Table of Contents