EasyManua.ls Logo

Midas DL431 - Main Menu Flowchart

Midas DL431
78 pages
Print Icon
To Next Page IconTo Next Page
To Next Page IconTo Next Page
To Previous Page IconTo Previous Page
To Previous Page IconTo Previous Page
Loading...
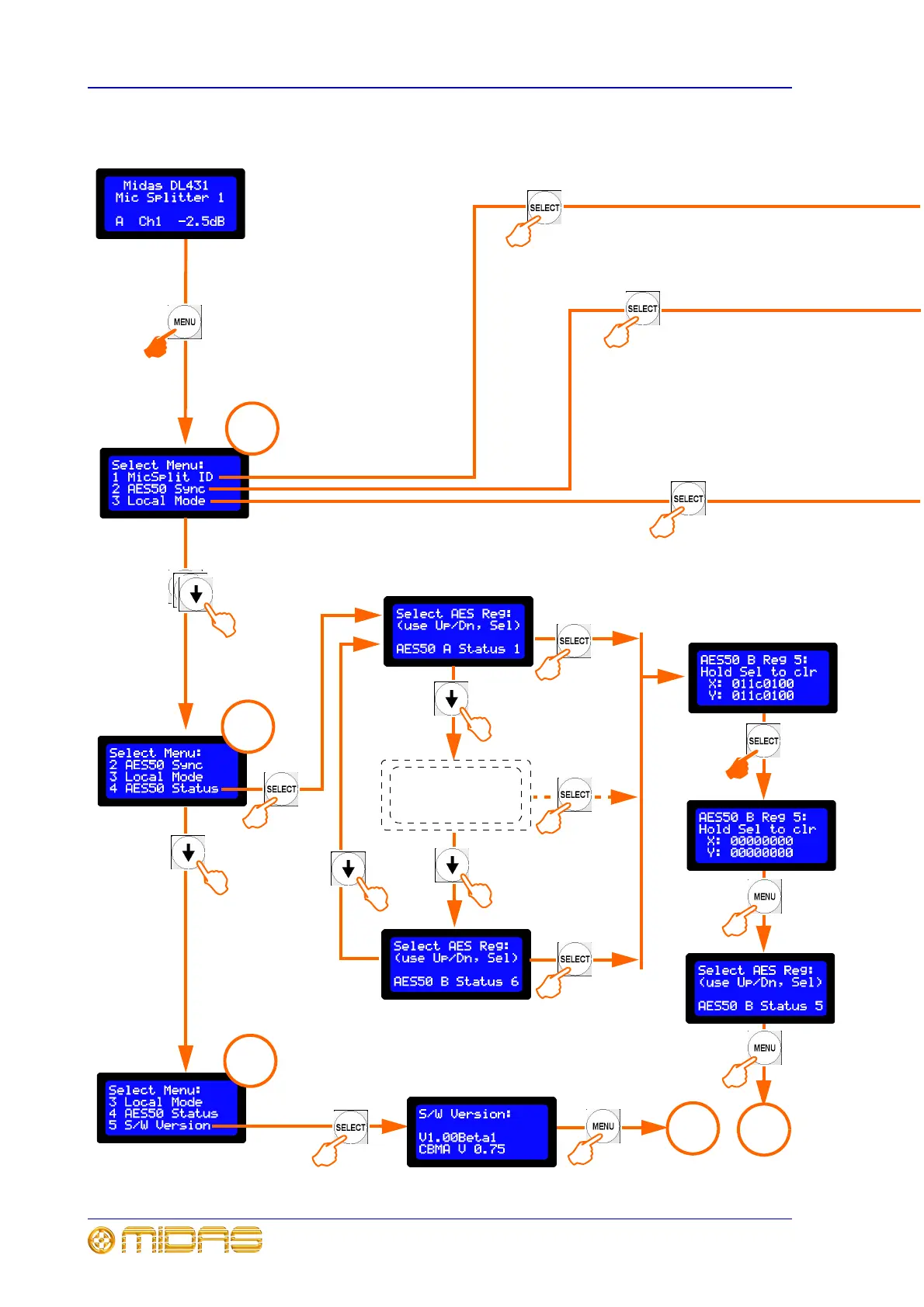
40 Chapter 6: Main Menu
DL431 Mic Splitter
Operator Manual
Main menu flowchart
To clear
Select from AES50
Status 1 to 6 for A
and B
x3
Default screen
A
B
AES50 B Status 5
selected in this
example
Press and
hold for 2
seconds
Press and
hold down
for 2
seconds
B
Option 3
Option 1
Option 2
Option 4
Option 5
C
C

Table of Contents

Related product manuals