EasyManua.ls Logo

Midas DL431 - Functional Block Diagram

Midas DL431
78 pages
Print Icon
To Next Page IconTo Next Page
To Next Page IconTo Next Page
To Previous Page IconTo Previous Page
To Previous Page IconTo Previous Page
Loading...
57
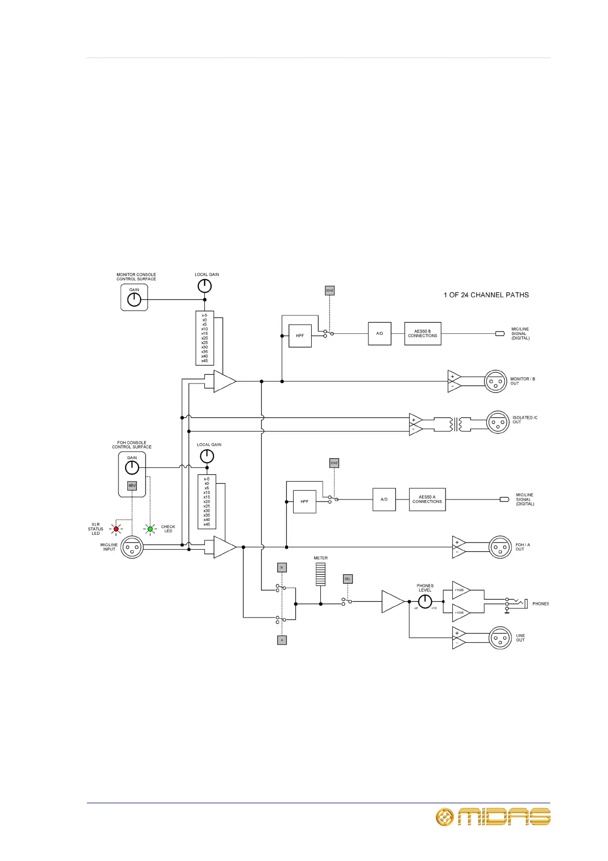
DL431 Mic Splitter
Operator Manual
Appendix A: Functional Block Diagram
The following is the signal flow diagram of the DL431 Mic Splitter.

Table of Contents

Related product manuals