EasyManua.ls Logo

Miele CVA615 - 6.5 Wiring Diagram

Miele CVA615
110 pages
Print Icon
To Next Page IconTo Next Page
To Next Page IconTo Next Page
To Previous Page IconTo Previous Page
To Previous Page IconTo Previous Page
Loading...
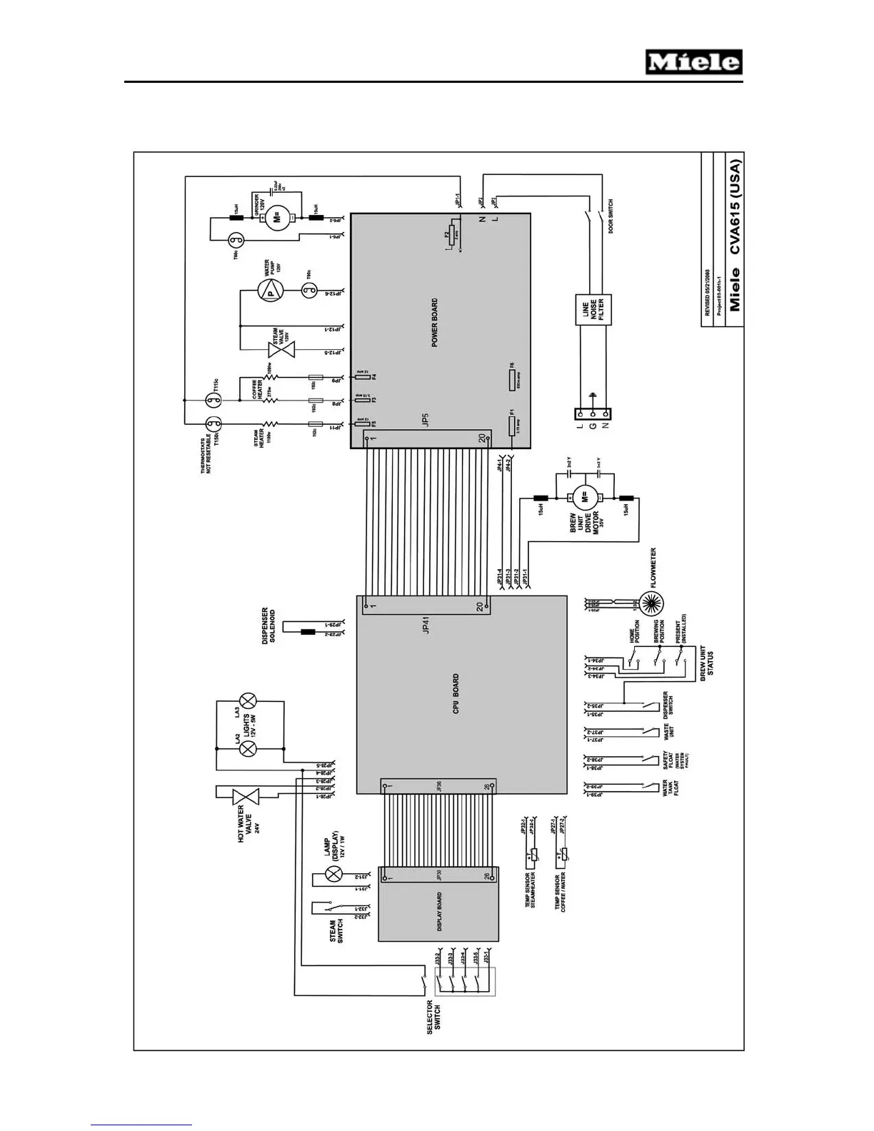
Technical Information
101
CVA615 Coffee System
6.5 Wiring Diagram

Table of Contents

Other manuals for Miele CVA615

Related product manuals