EasyManua.ls Logo

Miller Auto Continuum 500 - Parts List; Main Assembly Parts

Miller Auto Continuum 500
92 pages
Print Icon
To Next Page IconTo Next Page
To Next Page IconTo Next Page
To Previous Page IconTo Previous Page
To Previous Page IconTo Previous Page
Loading...
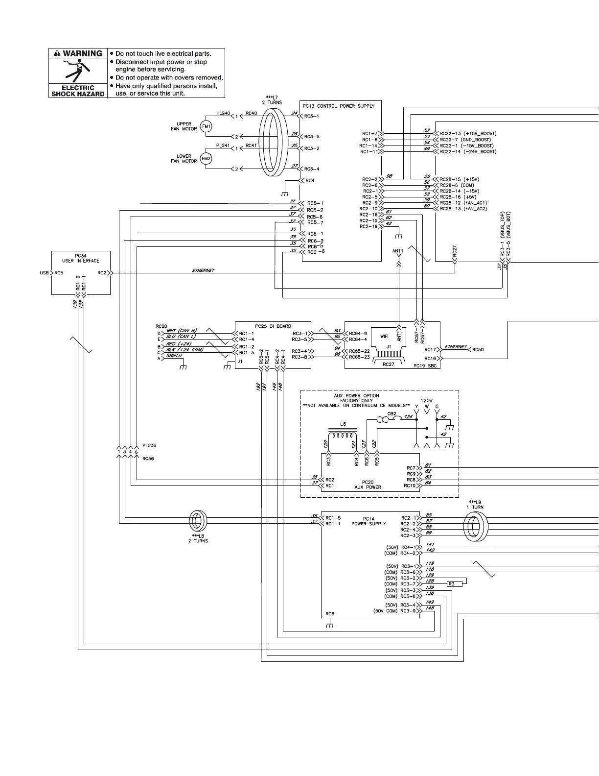
OM-277115 Page 68
Figure 11-2. Circuit Diagram For Auto-Continuum 350 Model (Page 2 of 2)
TO PC2 RC6(SHEET 1)
TO PC3 RC1 (SHEET 1)

Table of Contents

Related product manuals