EasyManua.ls Logo

Miller Auto Continuum 500 - Windtunnel and Fan Panel Parts

Miller Auto Continuum 500
92 pages
Print Icon
To Next Page IconTo Next Page
To Next Page IconTo Next Page
To Previous Page IconTo Previous Page
To Previous Page IconTo Previous Page
Loading...
OM-277115 Page 70
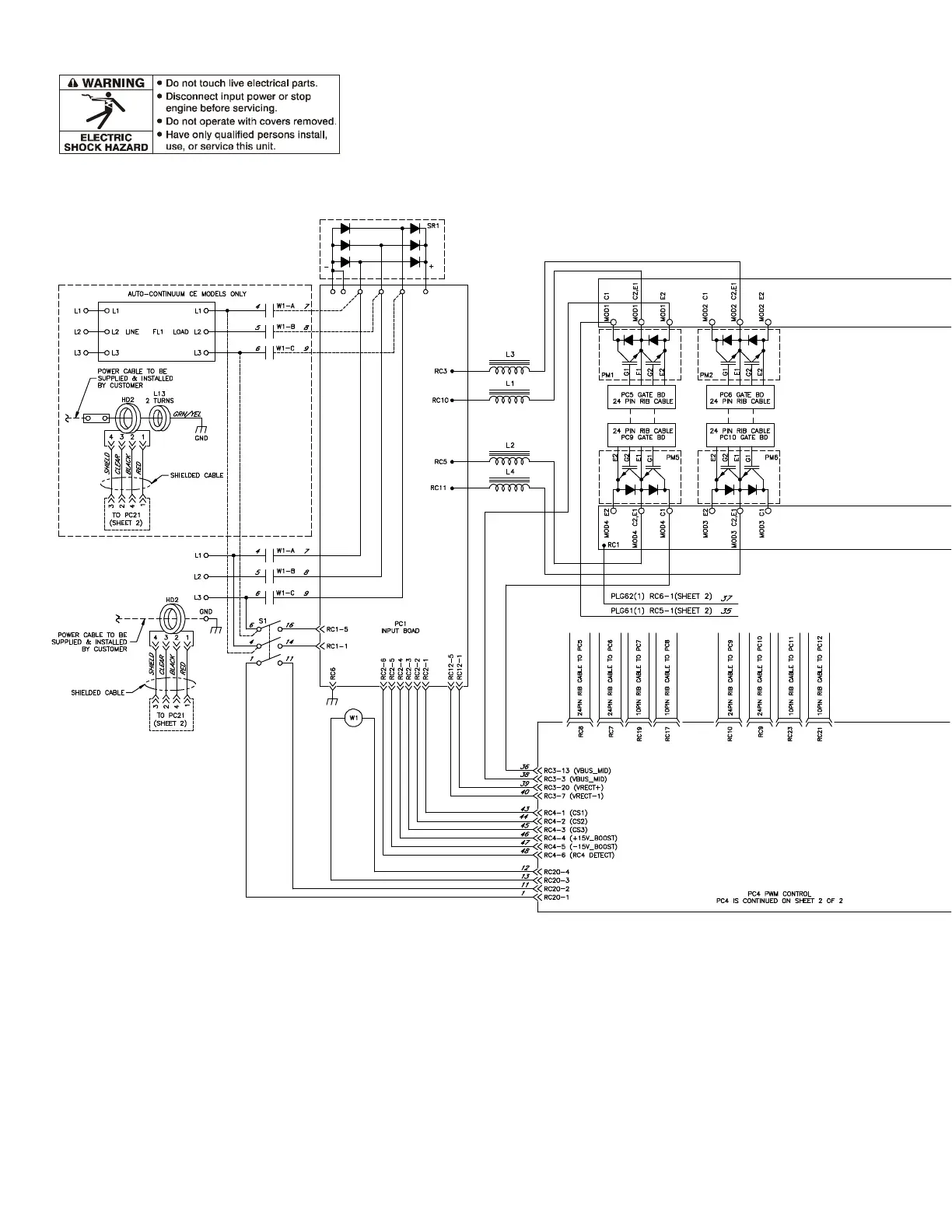
Figure 11-3. Circuit Diagram For Auto-Continuum 500 Model (Page 1 of 2)

Table of Contents

Related product manuals