EasyManua.ls Logo

Miller Auto Continuum 500 - Page 78

Miller Auto Continuum 500
92 pages
Print Icon
To Next Page IconTo Next Page
To Next Page IconTo Next Page
To Previous Page IconTo Previous Page
To Previous Page IconTo Previous Page
Loading...
OM-277115 Page 72
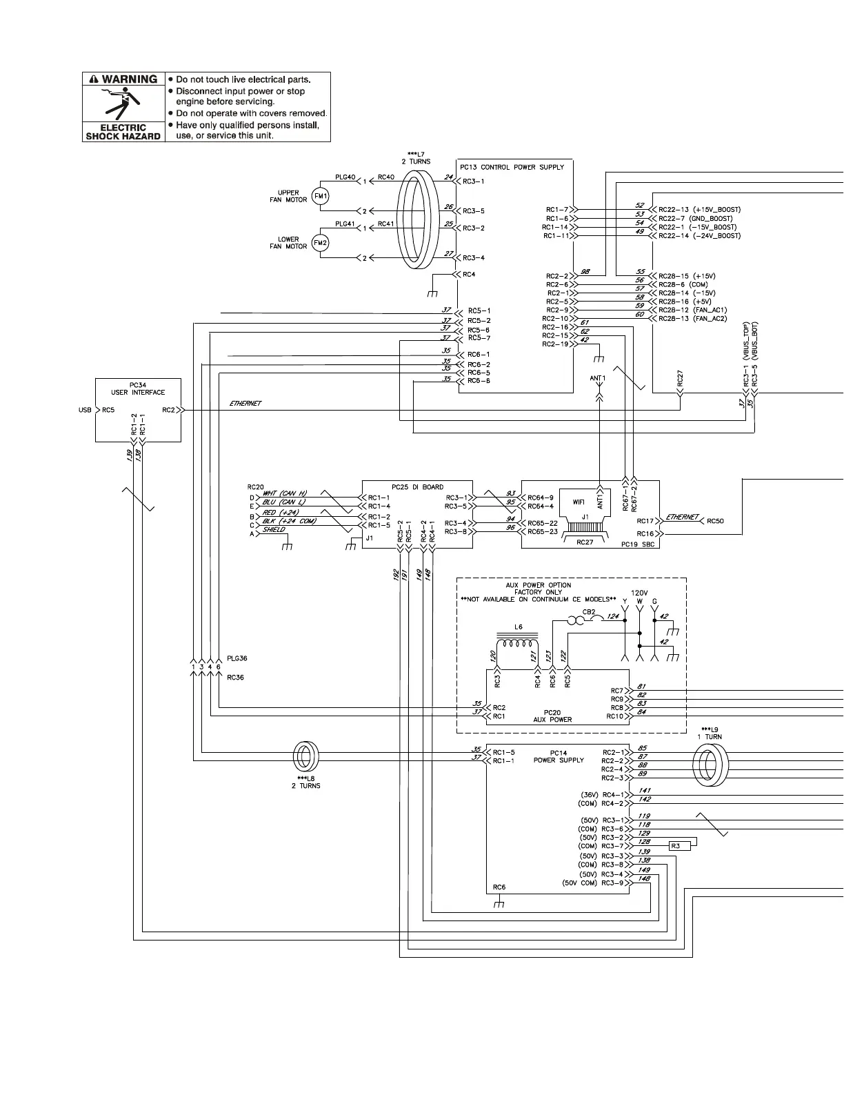
Figure 11-4. Circuit Diagram For Auto-Continuum 500 Model (Page 2 of 2)
TO PC2 RC6(SHEET 1)
TO PC3 RC1 (SHEET 1)

Table of Contents

Related product manuals