EasyManua.ls Logo

Monogram ZGP486ND - Page 81

Monogram ZGP486ND
86 pages
Print Icon
To Next Page IconTo Next Page
To Next Page IconTo Next Page
To Previous Page IconTo Previous Page
To Previous Page IconTo Previous Page
Loading...
– 81 –
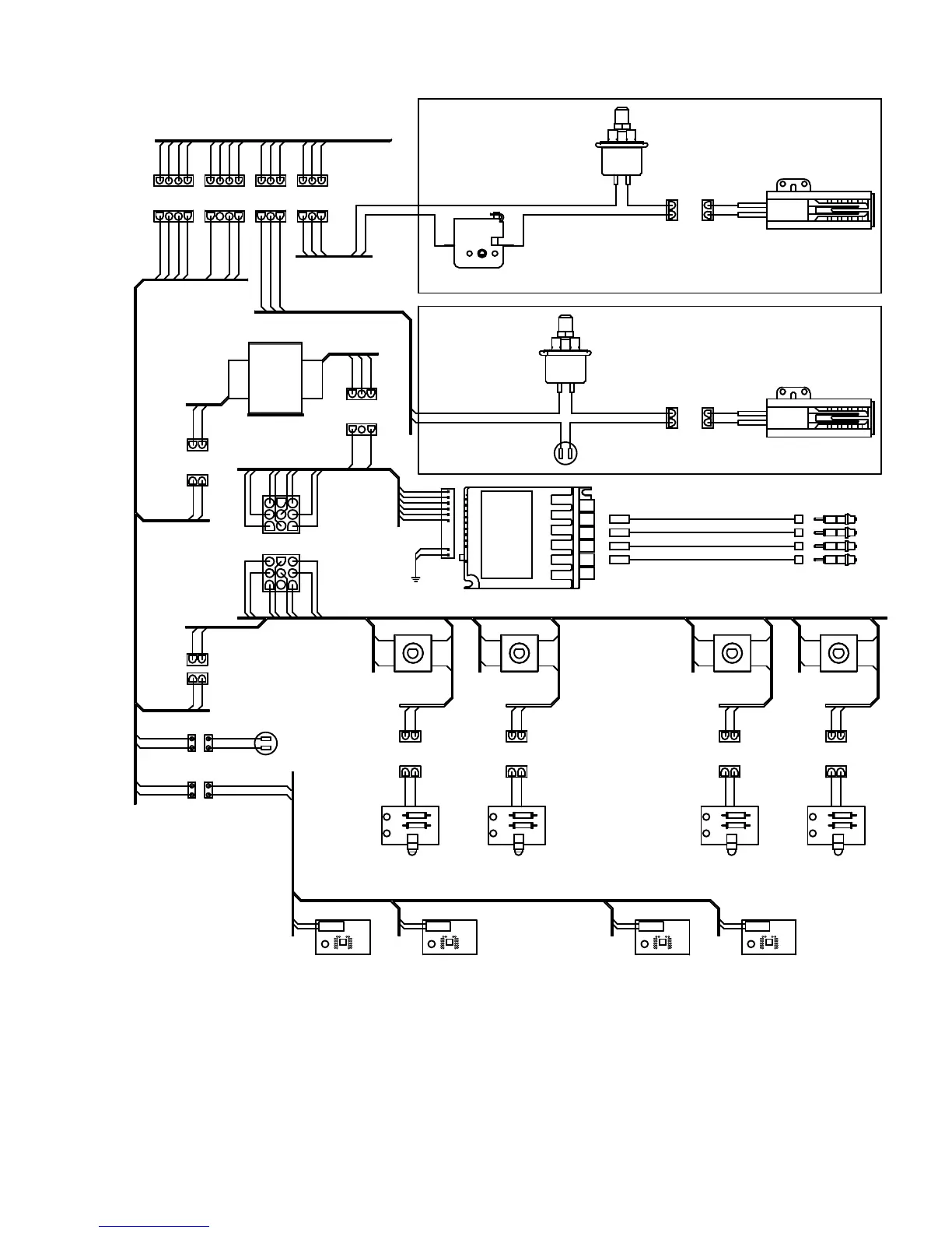
Cook Top Wiring Diagram
B
B
W
B
N
R
C
C
C
N
N
W
W
R
R
THERMOSTAT
R
W
W
W
SAFETY
VALVE
ONLY SELECTED MODELS
IGNITER
GLOW BAR
ONLY SELECTED MODELS
IGNITER
GLOW BAR
SWITCH
GRILL VALVE
SPARK
MODULE
N
W
W
W
N
N
SAFETY
VALVE
N
O
Y
R
R
R
G
Y
W
C
C
C
C
N
V
O
S
O
Y
N
V
S
G
G
TRANSFORMER
W
W
R
B
G
R
G
Y
W
N
V
O
S
C
C
C
C
PANEL
SWITCH
SWITCH
VALVE
SWITCH
VALVE
SWITCH
VALVE
SWITCH
VALVE
R
RG S Y
B
R
R
R
R
N
B
GG
G
G
G
BG BG
RS S Y Y N N
WW
WWWWW
W
LED LED LED LED
LED
PANEL
LED
PANEL
R
R
LED
PANEL
R
R
LED
PANEL
N
R
N
R
N
R
B
B
FROM OVEN
(Continued Next Page)

Related product manuals