EasyManua.ls Logo

Monogram ZGP486ND - Schematics and Wiring Diagrams; ZGP30 - Cook Top Ladder Diagram

Monogram ZGP486ND
86 pages
Print Icon
To Next Page IconTo Next Page
To Next Page IconTo Next Page
To Previous Page IconTo Previous Page
To Previous Page IconTo Previous Page
Loading...
– 78 –
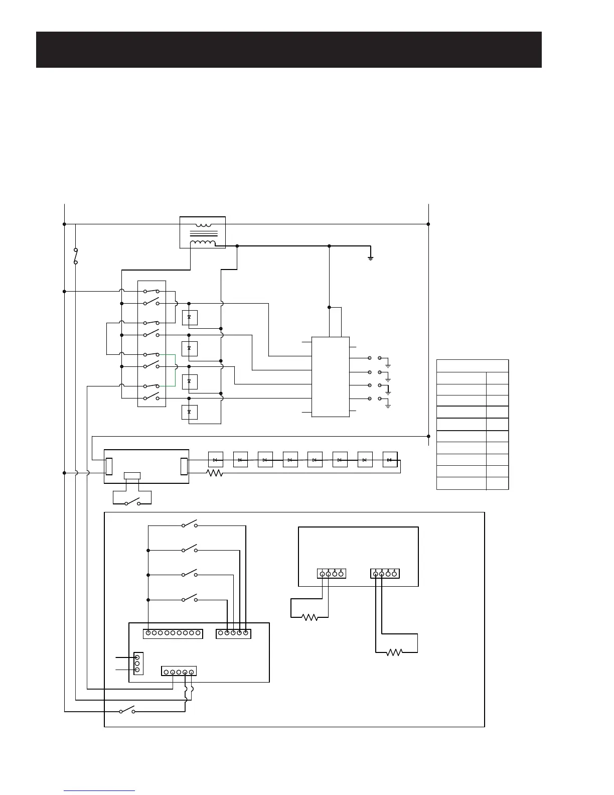
Schematics and Wiring Diagrams
WARNING: Disconnect electrical power before servicing.
Caution: Label all wires prior to disconnection. Wiring errors can cause improper and dangerous operation. Verify
operation after servicing.
(Continued Next Page)
ZGP30 - Cook Top Ladder Diagram
RR RR R
RR
P
P
P
P
L1
CC
120 VAC INPUT
TRANSFORMER
3
1
240
VAC
COM
W
LOCKOUT VALVE
OPEN SWITCH
N
G
O
Y
N
V
1
2
1
2
1
2
1
2
SWITCH
VALVES
LED ASM
O
Y
N
V
N
O
Y
G
GG
1
2
3
4
5
10 11
LED
BOARD
LED
BOARD
LED
BOARD
LED
BOARD
LED
BOARD
LED
BOARD
LED
BOARD
LED
BOARD
C
R
N
N
68Ω
POWER
SUPPLY
FRONT PANEL
K7
BB
SWITCH
FRONT PANEL
LADDER FOR ELECTRICAL COMPONENTS
C
SPARK
MODULE
ERC BOARD
w
B
Y
S
REED SWITCH
DOOR UNLOCK
DOOR LOCK
DOOR STATUS
MAIN LOGIC
BOARD
1 4
WN
J5
1 4
J6
WG
J17
P
R
L1
N
B
1
J20
3
1
15
15
J21
J16
9
LOCKOUT VALVE
CLOSE SWITCH
C
RW
R
OVEN SENSE
1080 Ω
MEAT PROBE
30K-50K Ω
TIP
GND
WIRE COLORS
BLACK B
BROWN C
BLUE N
GREEN G
ORANGE O
PURPLE V
RED R
YELLOW Y
GREY S
WHITE W

Related product manuals