EasyManua.ls Logo

Mortara H12+ - Page 22

Mortara H12+
62 pages
Print Icon
To Next Page IconTo Next Page
To Next Page IconTo Next Page
To Previous Page IconTo Previous Page
To Previous Page IconTo Previous Page
Loading...
H12+
3-6
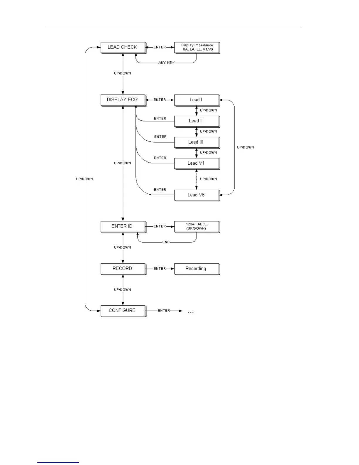
The LEAD CHECK, DISPLAY ECG, ENTER ID and CONFIGURE tasks are performed prior to starting a new
patient recording. With the exception of CONFIGURE, the other three tasks typically are done for each new
recording.
Note: Patient ID entry (ENTER ID) is optional. If desired, the patient ID may be entered after the patient record
is downloaded to the H-Scribe system.

Other manuals for Mortara H12+

Related product manuals