EasyManua.ls Logo

NetApp FC4600 - Page 205

NetApp FC4600
230 pages
Print Icon
To Next Page IconTo Next Page
To Next Page IconTo Next Page
To Previous Page IconTo Previous Page
To Previous Page IconTo Previous Page
Loading...
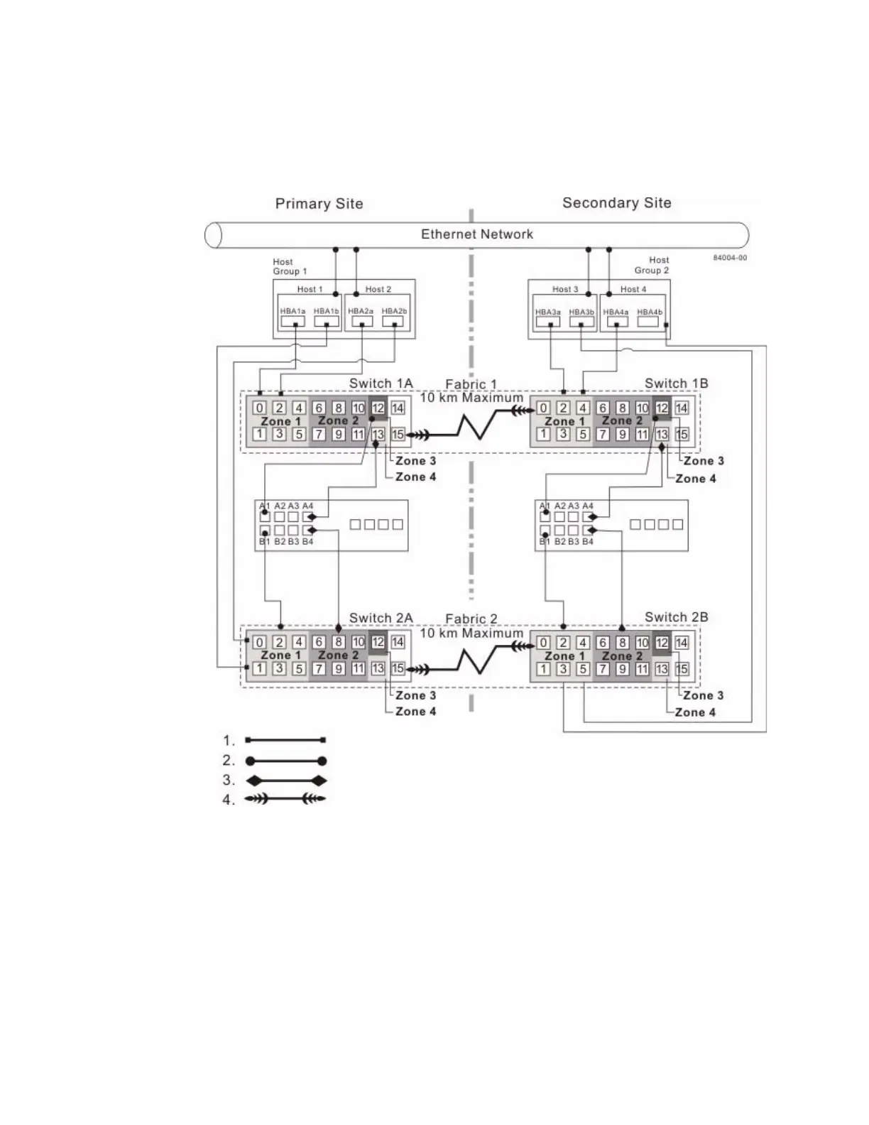
Chapter 8: Hardware Installation for Synchronous Mirroring 195
Figure 2 Highest Availability Campus Configuration Using CE6994 Controller
Tray
1. Host Fibre Channel Cable
2. Storage Array Fibre Channel Cable
3. Fibre Channel Cable Dedicated for the Synchronous
M
ir
roring Premium Feature
4. Fabric Uplink Cable

Table of Contents

Related product manuals