EasyManua.ls Logo

Nibe FIGHTER 1110 - Electrical Circuit Diagrams

Nibe FIGHTER 1110
44 pages
Print Icon
To Next Page IconTo Next Page
To Next Page IconTo Next Page
To Previous Page IconTo Previous Page
To Previous Page IconTo Previous Page
Loading...
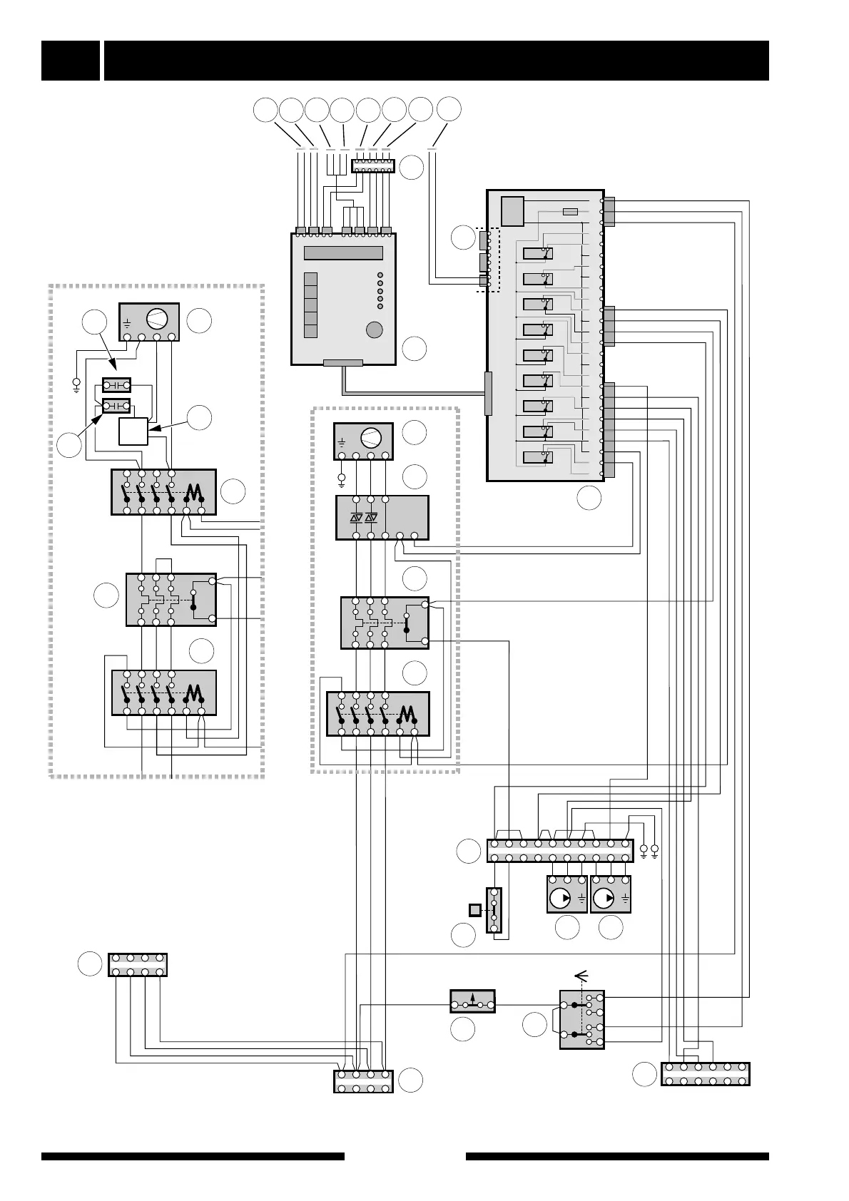
Electrical circuit diagram
FIGHTER 1110
For the Installer
30
P
25
4
3
2
1
6
7
8
9
10
12
13
14
15
16
17
18
19
20
21
22
23
24
26
11
5
Re
1
Re
2
Re
3
Re
4
Re
5
Re
6
Re
7
Re
8
Re
9
230 V
12 V
27
8
2
6
16 35
68
26
33
13
9
22
97
563412
L2 L3NL1
29
1
2
3
4
5
6
7
8
2A
1
0
R
5B
2
1
1A
4B
3A
6B
34
30
L2 L3NL1
56789103412
15
21
87
86
28
41
89
94
88
5
6
3
4
1
2
A1
A2
27
68
26
69
Från L3
på plint (9)
Från N
på plint (9)
1
2
5
12
14
11
5 15 kW
3-phase
4 kW
single phase
From N on terminal
block (9)
From L3 on terminal
block (9)

Table of Contents

Related product manuals