EasyManua.ls Logo

Nibe FIGHTER 1110 - Detailed Circuit Diagram Analysis

Nibe FIGHTER 1110
44 pages
Print Icon
To Next Page IconTo Next Page
To Next Page IconTo Next Page
To Previous Page IconTo Previous Page
To Previous Page IconTo Previous Page
Loading...
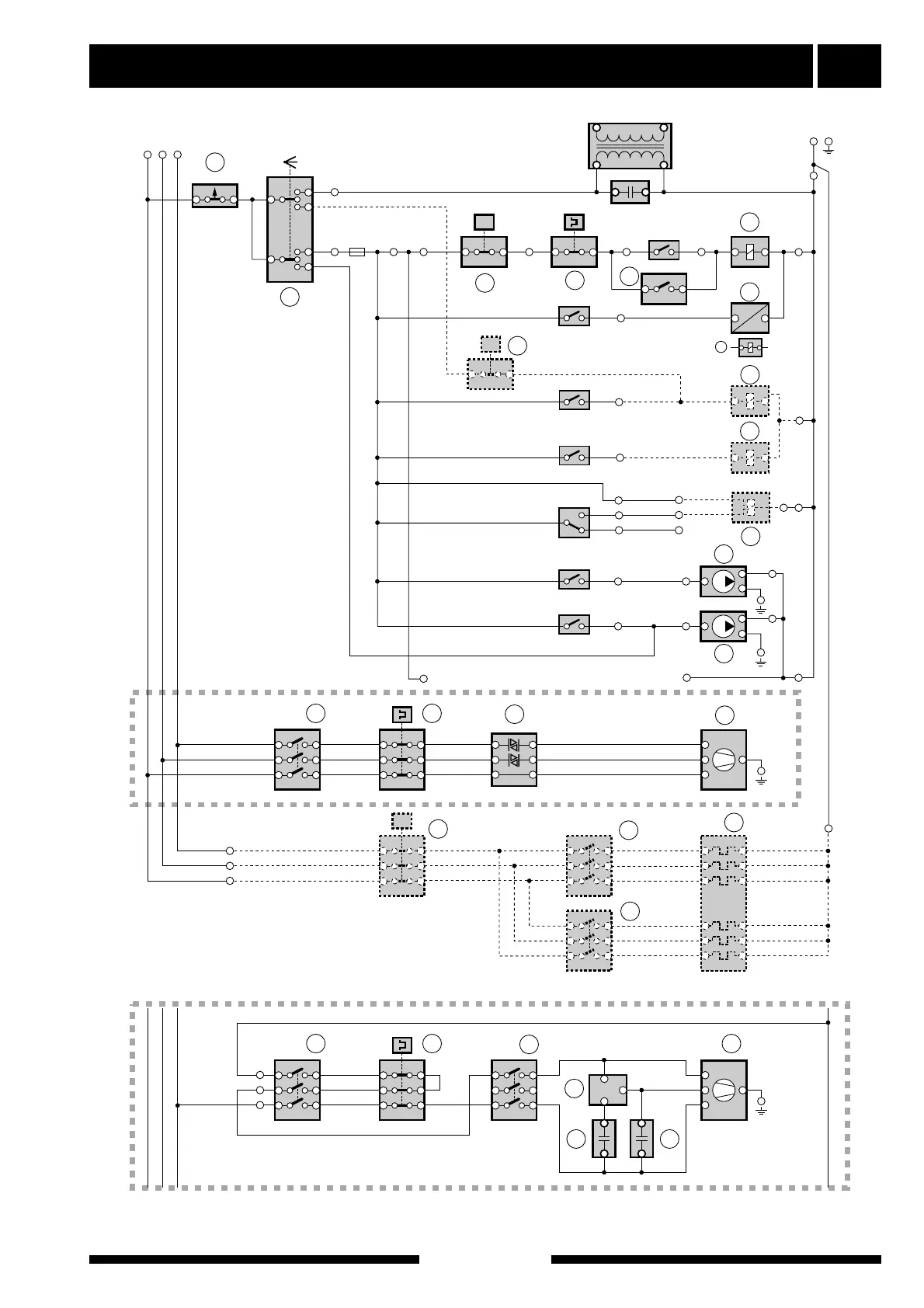
Circuit diagram
31
For the Installer
FIGHTER 1110
P
T
T
X9
L1
X9
L2
X9
L3
X29
1
1A
3A
2A
4B
T5AH
6B
5B
X29
2
X29
14
X13
1
X13
2
Re3
Re9
Re8
Re6
Re7
Re5
Re4
X9
25
X29
17
X29
11
X29
13
X29
16
X29
15
X29
19
4
X6
1
X13
9
X13
10
X13
7
X13
5
X13
8
X13
6
1
3
5
2
4
6
1
3
5
2
4
6
L1
L2
L3
U
V
W
C
S
R
1
3
5
2
4
6
1
3
5
2
4
6
1
3
5
2
C
S
R
1
2
5
4
6
22
X29
23
X29
18
X29
20
X22 L3
X22 L1
X22 L2
X29
12
X22
N
X13
4
21
X6
2
X29
3
X9
N
PE
X29
24
X13
3
2
8
33
3
26
68
68
68 26
97
97
68 26
69
35
67
10
19
16
27
27
12
11 14
24
67
10
25
5 15 kW 3-fas
4 kW 1-fas
6 kW
3 kW
1
0
R
3
A1
A2
69
4 kW single phase
4 kW 1-phase
5 15 kW
3-phase
4 kW single phase

Table of Contents

Related product manuals