EasyManua.ls Logo

Nibe FIGHTER 1110 - Control with Oil Supplement

Nibe FIGHTER 1110
44 pages
Print Icon
To Next Page IconTo Next Page
To Next Page IconTo Next Page
To Previous Page IconTo Previous Page
To Previous Page IconTo Previous Page
Loading...
Control with oil supplement
FIGHTER 1110
For Home Owners
26
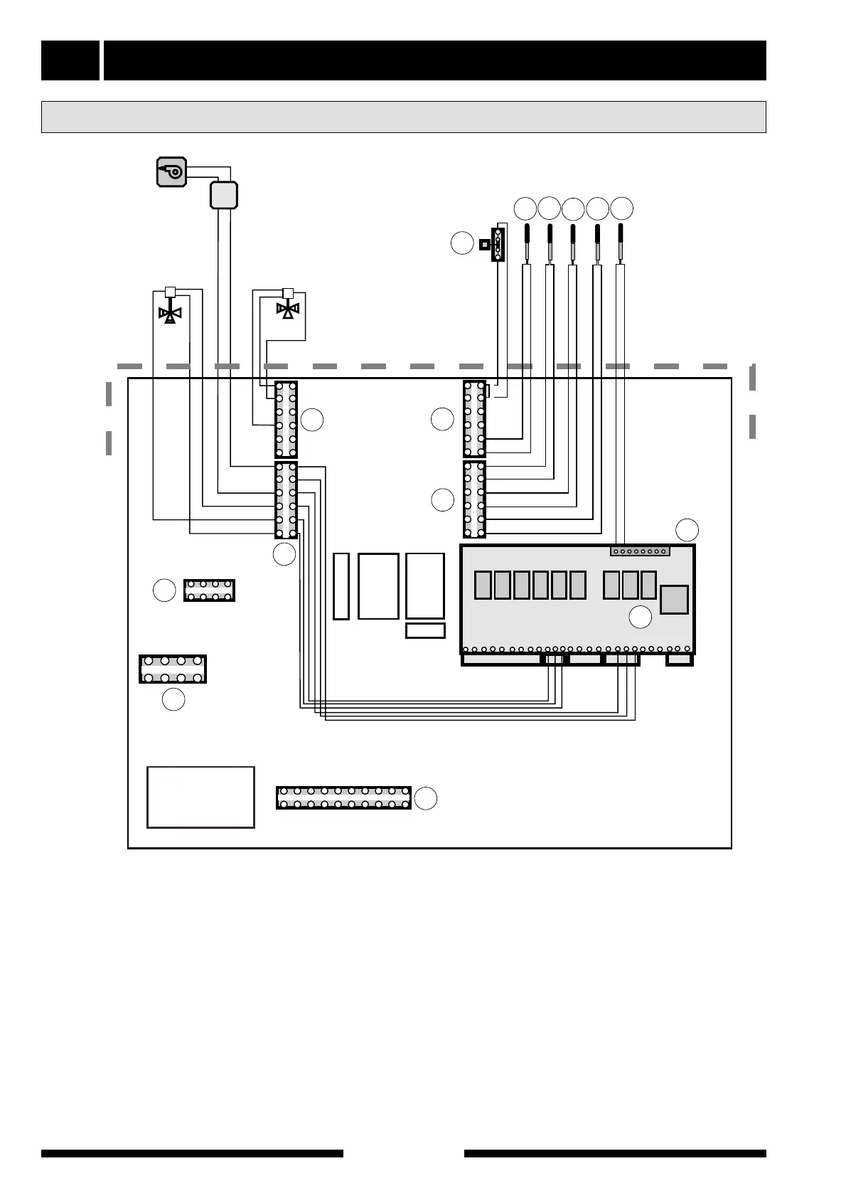
Connection
Mixing valve
VST 11
1
2
3
4
5
6
7
8
214365
214365
26 25 24 23 22 21 20 19 18 17 16 15 14 13 12 11 10 9 8 7 6 5 4 3 2 1
1 2 3 4 5 6 7 8 9 10
N
L1 L2 L3
N
L1 L2 L3
21
4365
2
1
4
3
6
5
TS-UT
N
+
-
6
36
31
21
13
FIGHTER 1110
Main supply
30
22
9
29
N
P
37
15
89
94
88
32
Controll
box
TS-IN
6 Terminal block, hot water control
9 Terminal block, incoming electric power
13 Terminal block, pumps, high pressure
pressostat
15 Outdoor sensor, connection
21 Terminal block, sensor
22 Connection terminal, immersion heater kit
29 Relay card with power supply unit
30 Terminal block, relay card
31 Terminal block
32 Boiler sensor
36 Terminal block, external units
37 External pressure switch for the collector
88 Temperature sensor, hot water
89 Temperature sensor, WW-out, heating medium
flow
94 Temperature sensor, WW-in, heating medium
return

Table of Contents

Related product manuals