EasyManua.ls Logo

Nokia RM-596 - BOB1.0 M-B Module; Device Memory

Nokia RM-596
253 pages
Print Icon
To Next Page IconTo Next Page
To Next Page IconTo Next Page
To Previous Page IconTo Previous Page
To Previous Page IconTo Previous Page
Loading...
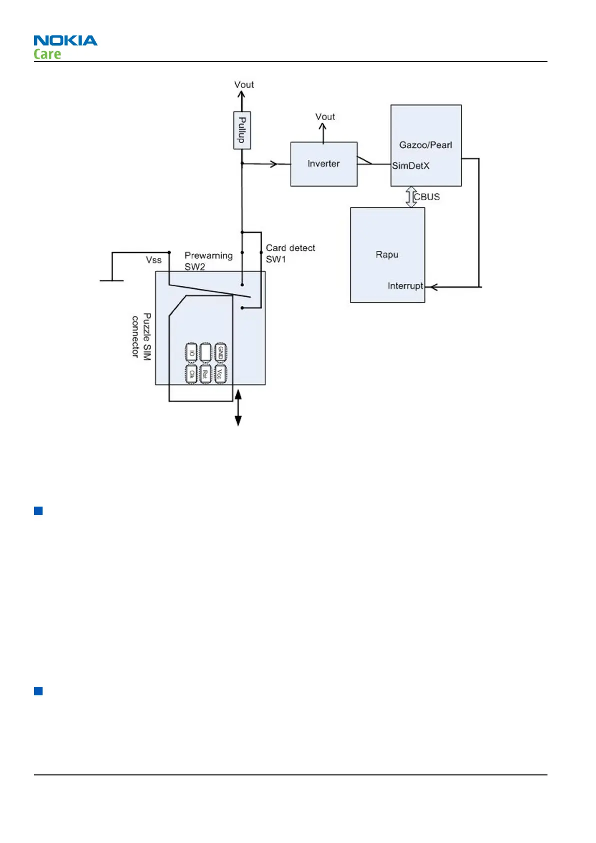
Figure 49 Puzzle SIM connector circuitry
The SIM interface supports both 1.8V and 3.0V SIM cards. The SIM interface voltage is first 1.8 V when the SIM
card is inserted, and if the card does not response to the ATR (Answer to Request), 3V interface voltage is
used.
Device memory
The memory components of the device are internal COMBO POP4 2Gb DDR + 4Gb M3 (NAND), a card reader for
MicroSD, and 16GB eMMC memory which is non-removable and internal to the phone.
The MicroSD is used as a user’s data storage memory. The µSD card is connected to RAPU via EM ASIC which
has an internal level shifter with an ESD protection filter. The μSD card door state is detected by a detect
switch connected to RAPU Genio25. When the door is open, the uSD card is powered off. Hot swap is supported,
which means that the card may be plugged in/out at any time, without removing the battery.
The device uses 16GB eMMC (D3200) external memory. The eMMC interface is a 6-wire serial/parallel data bus
which includes a clock (CLK), 4 data signals (DAT), and command (CMD) wires. The eMMC interface is completely
formed of the GENIOs of RAPU. The eMMC consists of an internal NAND controller and an MMC controller for I/
O interface. It is a dual supply device which requires VCC of 2.9V for the NAND core and VCCQ of 1.8V for the
MMC I/O interface.
BOB1.0M-b module
The BOB1.0M-b module provides full 802.11b,g & n WLAN, BT 2.1 + EDR, FM RDS and FM TX connectivity.
RM-596
System Module
Page 6 – 16 COMPANY CONFIDENTIAL Issue 2
Copyright © 2010 Nokia. All rights reserved.

Table of Contents

Related product manuals