EasyManua.ls Logo

Nokia RM-596 - Audio Concept; Audio HW Architecture

Nokia RM-596
253 pages
Print Icon
To Next Page IconTo Next Page
To Next Page IconTo Next Page
To Previous Page IconTo Previous Page
To Previous Page IconTo Previous Page
Loading...
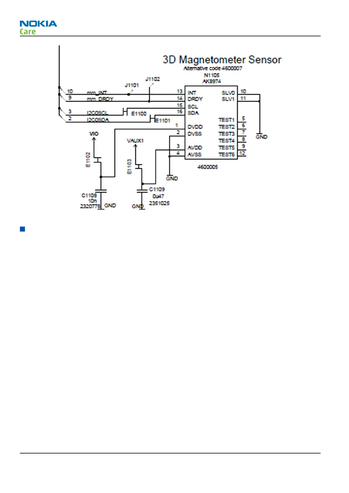
Figure 64 Magnetometer
Audio concept
Audio HW architecture
TPA6140 (N2000), BoostMono (N2150) along with mixed-signal ASIC Gazoo/Pearl provides the analogue audio
output interfaces and RAPU provides the digital audio output interface support.
RM-596
System Module
Page 6 – 28 COMPANY CONFIDENTIAL Issue 2
Copyright © 2010 Nokia. All rights reserved.

Table of Contents

Related product manuals