EasyManua.ls Logo

Nokia RM-596 - AV Connector; Cellular RF Technical Description; RF Block

Nokia RM-596
253 pages
Print Icon
To Next Page IconTo Next Page
To Next Page IconTo Next Page
To Previous Page IconTo Previous Page
To Previous Page IconTo Previous Page
Loading...
AV connector
The AV connector handles both audio and video signals output. It has audio left and right signals separately
(pins 4 and 5) and the microphone signal wired to pin 3.
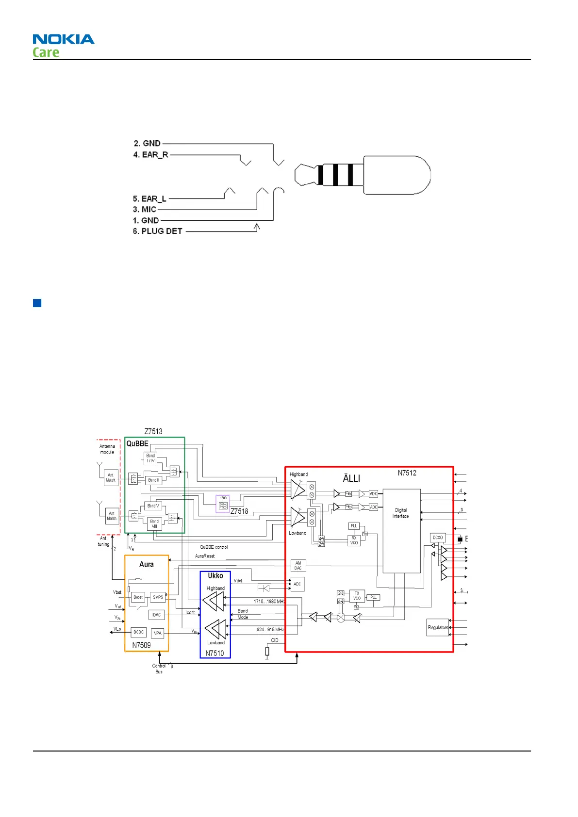
Figure 70 AV connector
The AVVideoControl signal handles microphone usage of the AV connector. The plug detection signal handles
the AV connector plug detection with HeadDet signal from EM ASIC.
Cellular RF technical description
RF block
Linko RF consists of the following key components:
Älli (Transceiver RF Asic)
Aura (RF power management Asic)
Ukko PA
QuBBE (Front end module)
Figure 71 Linko RF block diagram
The RF block uses RF ASIC N7512 that performs the RF back-end functions of receive and transmit function of
the cellular transceiver.
RM-596
System Module
Page 6 – 32 COMPANY CONFIDENTIAL Issue 2
Copyright © 2010 Nokia. All rights reserved.

Table of Contents

Related product manuals