EasyManua.ls Logo

Nokia RM-596 - Usb; USB Interface and Charging; Microusb Connector

Nokia RM-596
253 pages
Print Icon
To Next Page IconTo Next Page
To Next Page IconTo Next Page
To Previous Page IconTo Previous Page
To Previous Page IconTo Previous Page
Loading...
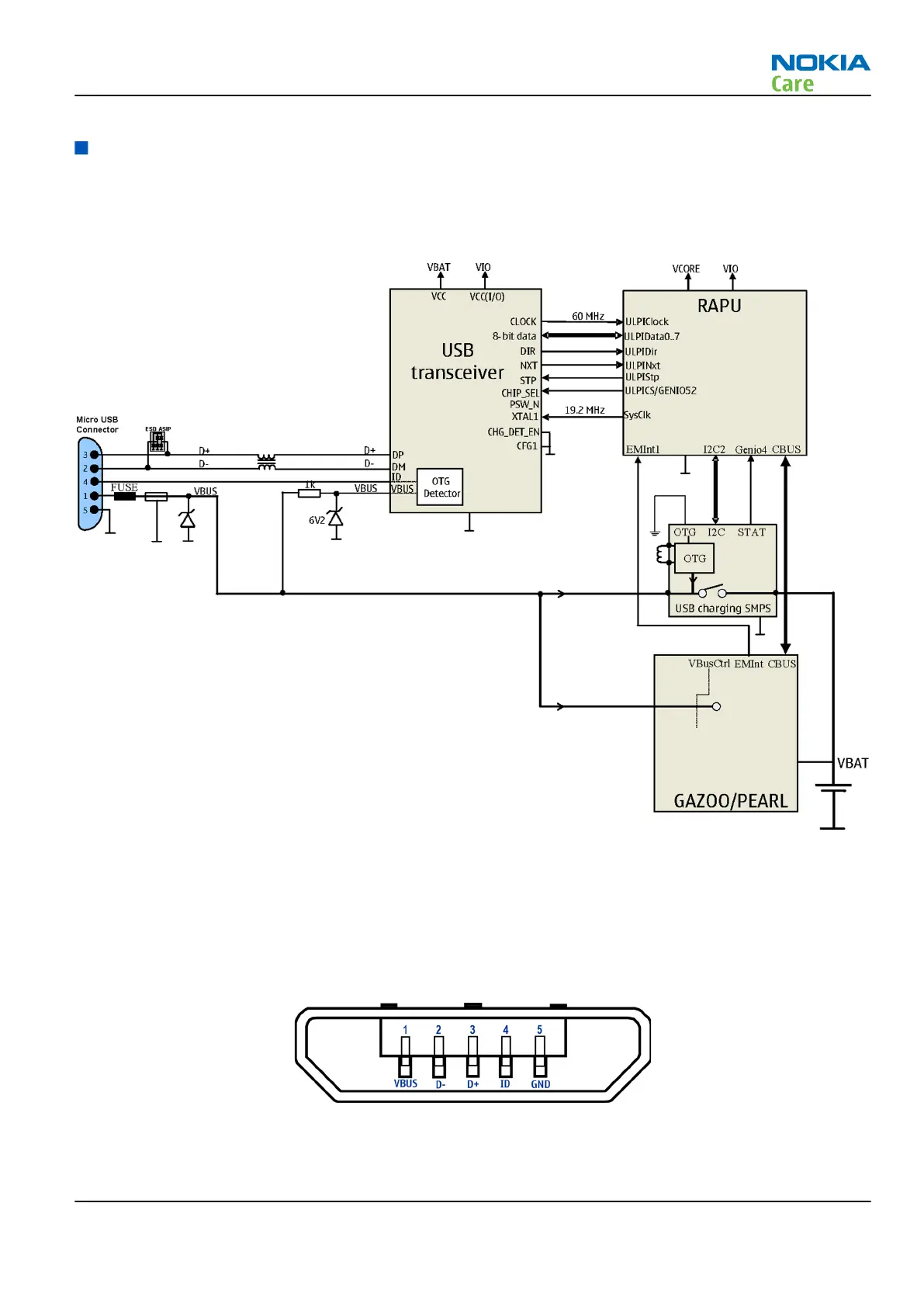
USB
USB interface and charging
The phone has an interface for USB (Universal Serial Bus). USB is a differential serial bus that provides a wired
connectivity between a PC and peripheral devices, as in this case a mobile phone.
Figure 53 USB interface
The phone supports USB 2.0 with High-Speed (480 Mbps).
Hot swap is supported, which means that USB devices may be plugged in and out at any time.
MicroUSB connector
This phone is provided with a specific connector for microUSB.
Figure 54 MicroUSB connector
RM-596
System Module
Issue 2 COMPANY CONFIDENTIAL Page 6 – 19
Copyright © 2010 Nokia. All rights reserved.

Table of Contents

Related product manuals