EasyManua.ls Logo

Nokia RM-596 - Magnetometer

Nokia RM-596
253 pages
Print Icon
To Next Page IconTo Next Page
To Next Page IconTo Next Page
To Previous Page IconTo Previous Page
To Previous Page IconTo Previous Page
Loading...
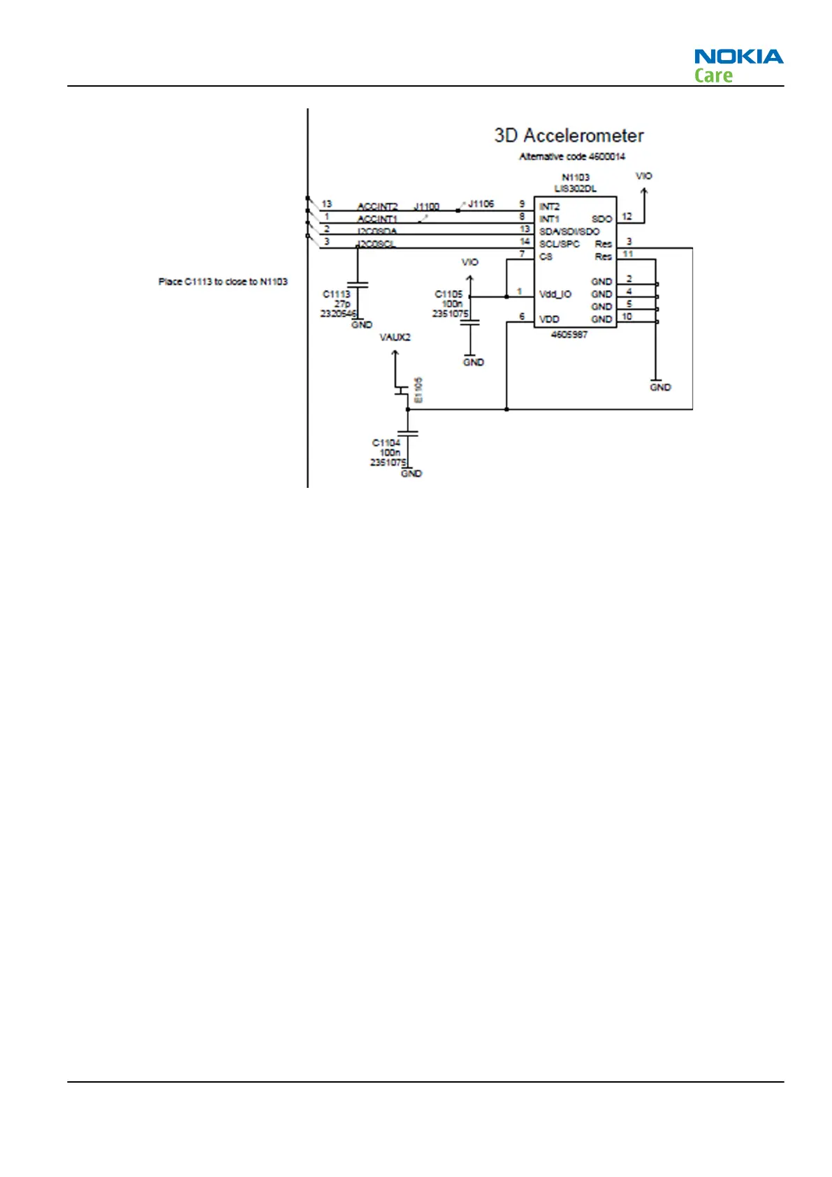
Figure 63 Accelerometer
Magnetometer
3D magnetometer sensor (N1105) is connected to RAPU via two GENIOs ie Genio40 and Genio41 and I2C_0
bus. Power supply voltage is provided from VIO & VAUX1 output of EM ASIC. The magnetometer is used as a
city compass sensor. It detects the earth magnetic field density and composes bearing information for
navigation applications.
The magnetometer has the following features:
3-axis magnetometer device suitable for compass application
Built-in A to D converter for magnetometer data out
Self test function
I2C bus interface
Power modes: OFF mode, stand-by mode and active mode
DRDY function for measurement data ready
INT function to inform exceeding magnetic field strength threshold.
The operating temperature is -20°C to +85°C.
The operating supply voltages are:
Analogue supply +2.4V to +3.6V
Digital interface supply +1.70V to analogue supply voltage.
RM-596
System Module
Issue 2 COMPANY CONFIDENTIAL Page 6 – 27
Copyright © 2010 Nokia. All rights reserved.

Table of Contents

Related product manuals