EasyManua.ls Logo

Nokia RM-721 - Internal Microphone

Nokia RM-721
160 pages
Print Icon
To Next Page IconTo Next Page
To Next Page IconTo Next Page
To Previous Page IconTo Previous Page
To Previous Page IconTo Previous Page
Loading...
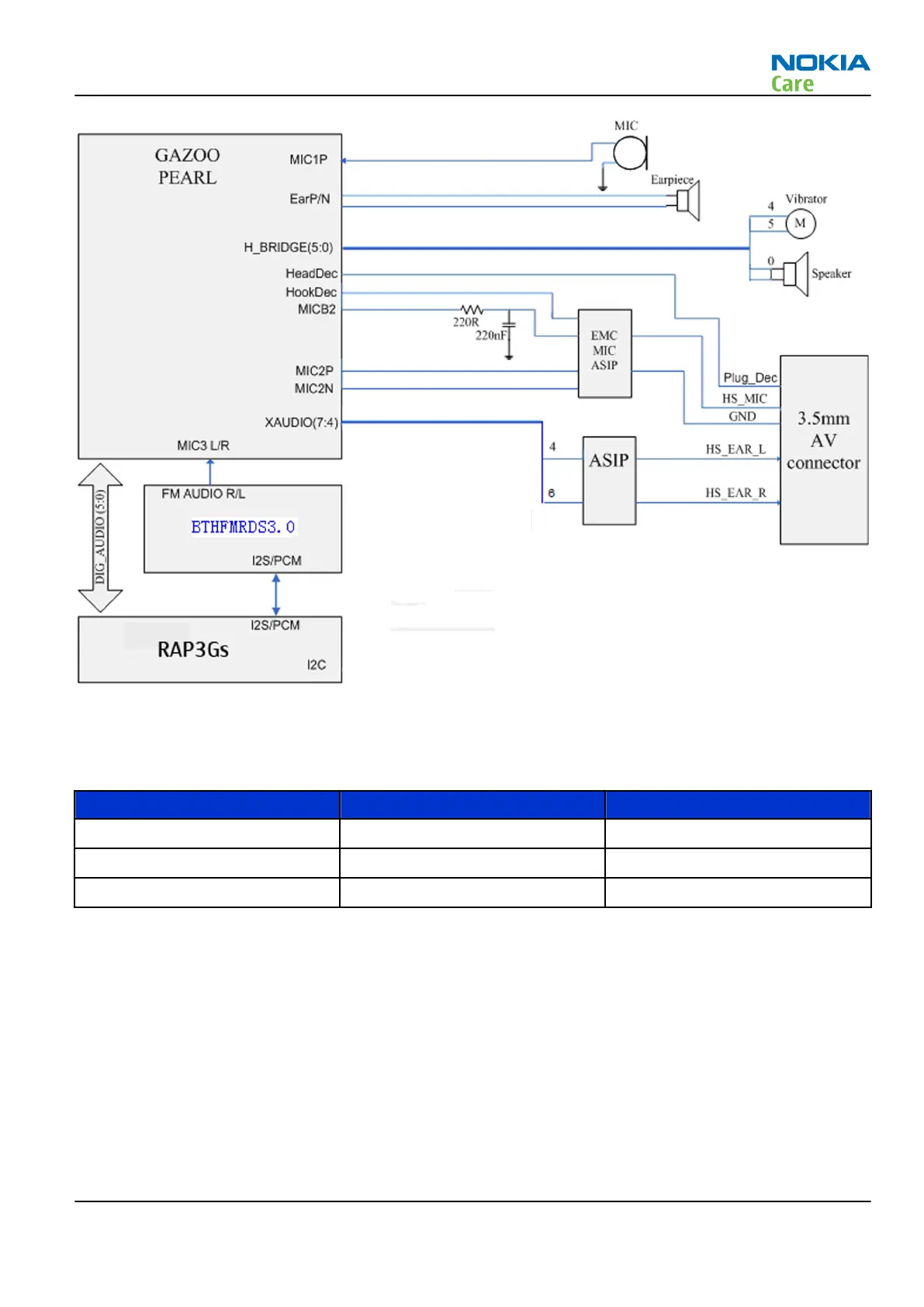
Figure 32 Audio block diagram
Internal audio
The internal audio components are used in these modes:
Hand portable (HP) mode Internal hands free (IHF) mode
Microphone X X
Earpiece X
Speaker X
Internal microphone
The Clapton microphone is located in the antenna module. The MIC1P connects directly to the EM ASIC N2200.
RM-721; RM-722
System Module
Issue 1 COMPANY CONFIDENTIAL Page 5 – 17
Copyright © 2011 Nokia. All rights reserved.

Table of Contents

Related product manuals