EasyManua.ls Logo

Nokia RM-721 - AV Connector; External Earpiece; Vibra

Nokia RM-721
160 pages
Print Icon
To Next Page IconTo Next Page
To Next Page IconTo Next Page
To Previous Page IconTo Previous Page
To Previous Page IconTo Previous Page
Loading...
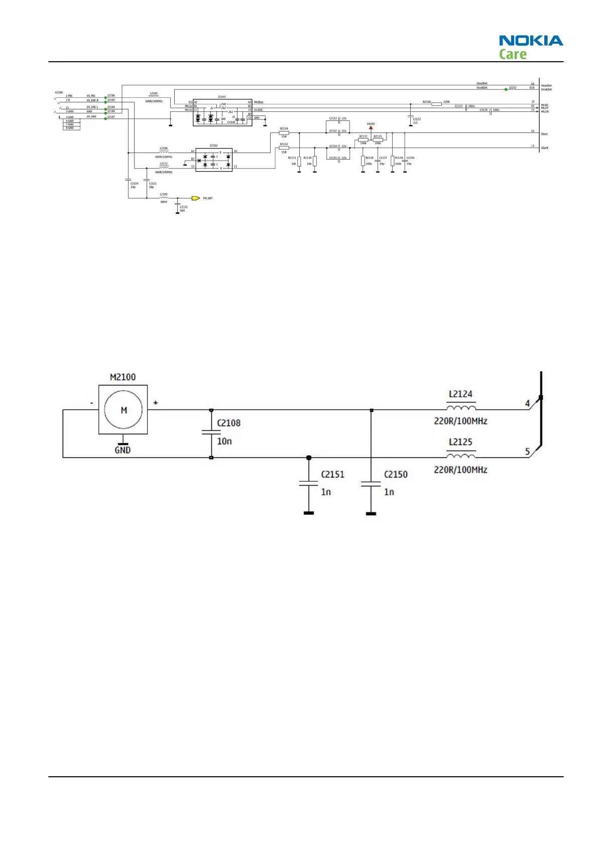
Figure 35 AV connector
External earpiece
An external earpiece can be connected to the device via the 3.5 mm AV connector (X2100) located at the top
side of the phone.
The external earpiece is directly driven by the internal amplifier of PEARL_J. There are no external amplifiers.
Vibra
The vibra (M2100) is a mounted SMD located at the bottom side of the main board. It is supplied directly from
the PEARL_J vibra outputs.
Figure 36 Vibra
AV connector
The 3.5mm AV connector consists of mono or stereo audio output, mono audio input and optional features
like control data over microphone line.
A connected male connector is detected on pin 6 (PLUG_DET).
Accessories are detected as basic headset (no ECI) or as intelligent ECI communication devices.
Note: Only use an approved cable for connecting to the AV connector ( e.g. headset HS-47).
RM-721; RM-722
System Module
Issue 1 COMPANY CONFIDENTIAL Page 5 – 19
Copyright © 2011 Nokia. All rights reserved.

Table of Contents

Related product manuals