EasyManua.ls Logo

Nokia RM-721 - External Microphone; IHF Speaker; Internal Earpiece

Nokia RM-721
160 pages
Print Icon
To Next Page IconTo Next Page
To Next Page IconTo Next Page
To Previous Page IconTo Previous Page
To Previous Page IconTo Previous Page
Loading...
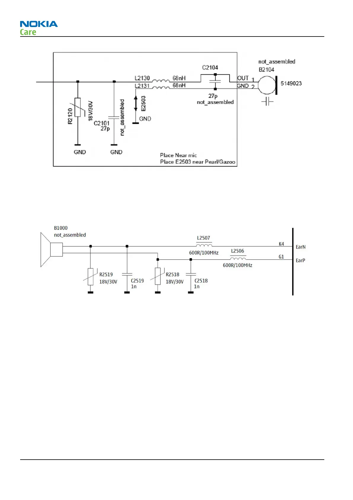
Figure 33 Internal microphone
Internal earpiece
The internal earpiece (B1000) is located in the B-cover. The earpiece is directly driven by the internal ear
amplifiers of the PEARL_J (N2200) and no additional amplifier is needed
Figure 34 Internal earpiece
IHF speaker
The IHF speaker (B2121) is located at the bottom side of the main board. No additional amplifier is used.
External microphone
An external microphone can be connected to the device via the 3.5 mm AV connector (X2100) located at the
bottom side of the main board.
RM-721; RM-722
System Module
Page 5 – 18 COMPANY CONFIDENTIAL Issue 1
Copyright © 2011 Nokia. All rights reserved.

Table of Contents

Related product manuals